This section addresses §120.6(b) of the Energy Standards, which covers mandatory requirements for commercial refrigeration systems in retail food stores. This section explains the mandatory requirements for condensers, compressor systems, refrigerated display cases, and refrigeration heat recovery. All buildings under the Energy Standards must also comply with the general provisions of the Energy Standards (§100.0 – §100.2, §110.0 – §110.10, §120.0 – §120.9, §130.0 – §130.5) and additions and alterations requirements (§141.1).
10.5.1.1 Mandatory Measures and Compliance Approaches
The energy efficiency requirements for commercial refrigeration are all mandatory. There are no prescriptive requirements or performance compliance paths for commercial refrigeration. Since the provisions are all mandatory, there are no tradeoffs allowed between the various requirements. The application must demonstrate compliance with each of the mandatory measures. Exceptions to each mandatory requirement where provided are described in each of the mandatory measure sections below.
10.5.1.2 What’s New in the 2019 Energy Standards
In the 2019 Energy Standards, adiabatic condenser efficiency and size requirements have been added. §120.6(b) 1D and 1E along with Table 120.6–D have been updated with new requirements for adiabatic condenser systems using halocarbon refrigerant.
10.5.1.3 Scope and Application
§120.6(b) of the Energy Standards applies to retail food stores that have 8,000 square feet or more of conditioned area and use either refrigerated display cases or walk-in coolers or freezers. The Energy Standards have minimum requirements for the condensers, compressor systems, refrigerated display cases, and refrigeration heat-recovery systems associated with the refrigeration systems in these facilities.
The Energy Standards do not have minimum efficiency requirements for walk-ins, as these are deemed appliances and are covered by the California Appliance Efficiency Regulations (Title 20) and federal Energy Independence and Security Act of 2007. Walk-ins are defined as refrigerated spaces with less than 3,000 square feet of floor area that are designed to operate below 55°F (13°C). Additionally, the Energy Standards do not have minimum equipment efficiency requirements for refrigerated display cases, as the minimum efficiency for these units is established by federal law in the Commercial Refrigeration Equipment Final Rule, but there are requirements for display cases that do result in reduced energy consumption.
Example 10-9
Question
The only refrigeration equipment in a retail food store with 10,000 square feet of conditioned area is self-contained refrigerated display cases. Does this store need to comply with the requirements for commercial refrigeration?
Answer
No. Since the refrigerated display cases are not connected to remote compressor units or condensing units, the store does not need to comply with the Energy Standards.
Example 10-10
Question
A new retail store with 25,000 square feet conditioned area has two self-contained display cases. The store also has several display case lineups and walk-in boxes connected to remote compressors systems. Do all the refrigeration systems need to comply with the requirements for Commercial Refrigeration?
Answer
There are no provisions in the Energy Standards for the two self-contained display cases. The refrigeration systems serving the other fixtures must comply with the Energy Standards.
This section addresses the mandatory requirements for condensers serving commercial refrigeration systems. These requirements apply only to stand-alone refrigeration condensers and do not apply to condensers that are part of a unitary condensing unit.
If the work includes a new condenser replacing an existing condenser, the condenser requirements do not apply if all the following conditions apply:
1. The total heat of rejection of the compressor system attached to the condenser or condenser system does not increase.
2. Less than 25% of the attached refrigeration system compressors (based on compressor capacity at design conditions) are new.
3. Less than 25% of the display cases (based on display case design load at applied conditions) that the condenser serves are new. Since the compressor system loads commonly include walk-ins (both for storage and point-of-sale boxes with doors), the 25% “display case" should be calculated with walk-ins included.
Example 10-11
Question
A supermarket remodel includes a refrigeration system modification where some of the compressors will be replaced, some of the refrigerated display cases will be replaced, and the existing condenser will be replaced. The project does not include any new load and the design engineer has determined that the total system heat of rejection will not increase. The replacement compressors comprise 20% of the suction group capacity at design conditions, and the replacement display cases comprise 20% of the portion of the design load that comes from display cases. There are no changes in walk-ins. Does the condenser have to comply with the provisions of the Energy Standards?
Answer
No. This project meets all three criteria of the exception to the mandatory requirements for condensers:
1. The new condenser is replacing an existing condenser
2. The total heat of rejection of the subject refrigeration system does not increase
3a. The replacement compressors comprise less than 25% of the suction group design capacity at design conditions
3b. The replacement display cases comprise less than 25% of the portion of the design load that comes from display cases.
10.5.2.1 Condenser Fan Control
§120.6(b)1A,B,& C
Condenser fans for new air-cooled, evaporative, or adiabatic condensers; or fans on air or water-cooled fluid coolers; or cooling towers used to reject heat on new refrigeration systems must be continuously variable-speed controlled. Variable-frequency drives are commonly used to provide continuously variable-speed control of condenser fans and controllers designed to vary the speed of electronically commutated motors are increasingly being used for the same purpose. All fans serving a common high side, or indirect condenser water loop, shall be controlled in unison. Thus, in normal operation, the fan speed of all fans within a single condenser or set of condensers serving a common high side should modulate together, rather than running fans at different speeds or staging fans off. However, when fan speed is at the minimum practical level, usually no higher than 10-20%, the fans may be staged off to reduce condenser capacity. As load increases, fans should be turned back on before significantly increasing fan speed, recognizing a control band is necessary to avoid excessive fan cycling. Control of air-cooled condensers may also keep fans running and use a holdback valve on the condenser outlet to maintain the minimum condensing temperature. Once all fans have reached minimum speed, the holdback valve is set below the fan control minimum saturated condensing temperature setpoint.
To minimize overall system energy consumption, the condensing temperature control setpoint must be continuously reset in response to ambient temperatures, rather than using a fixed setpoint value. This strategy is also termed ambient-following control, ambient-reset, wetbulb following, and drybulb following—all referring to control logic that changes the condensing temperature control setpoint in response to ambient conditions at the condenser. The control system calculates a control setpoint saturated condensing temperature that is higher than the ambient temperature by a predetermined temperature difference (in other words the condenser control temperature difference). Fan speed is then modulated so that the measured saturated condensing temperature (SCT) matches the calculated SCT control setpoint. The SCT control setpoint for evaporative condensers or water-cooled condensers (via cooling towers or fluid coolers) must be reset according to the ambient wetbulb temperature, and the SCT control setpoint for air-cooled condensers must be reset according to ambient drybulb temperature. The target SCT for adiabatic condensers when operating in dry mode must be reset according to ambient drybulb temperature. There is no requirement for SCT control during wet-mode (adiabatic) operation. Systems served by adiabatic condensers in climate zone 16 are exempted from this control requirement.
The condenser control TD is not specified in the Energy Standards. The nominal control value is often equal to the condenser design TD. However, the value for a particular system is left up to the system designer. Since the intent is to use as much condenser capacity as possible without excessive fan power, the common practice is to optimize the control TD over a period such that the fan speed is in a range of around 60-80% during normal operation (i.e. when not at minimum SCT and not in heat recovery).
The minimum saturated condensing temperature setpoint must be 70°F (21°C) or less. For systems using halocarbon refrigerants with glide, the SCT setpoint shall correlate with a midpoint temperature (between the refrigerant bubble-point and dew point temperatures) of 70°F (21°C) or less. As a practical matter, a maximum SCT setpoint is also commonly employed to set an upper bound on the control setpoint in the event of a sensor failure and to force full condenser operation during peak ambient conditions. This value should be set high enough that it does not interfere with normal operation.
Split air-cooled condensers are sometimes used for separate refrigeration systems, with two circuits and two rows of condenser fans. Each condenser half would be controlled as a separate condenser. If a condenser has multiple circuits served by a common fan or set of fans, the control strategy may use the average condensing temperature or the highest condensing temperature of the circuits as the control variable for controlling fan speed.
Alternative control strategies are permitted to the condensing temperature reset control required in §120.6(b)1C. The alternative control strategy must be demonstrated to provide equal or better performance, as approved by the Executive Director.
Air-cooled condensers with separately installed evaporative precoolers added to the condenser are not considered adiabatic condensers for this standard and must meet the requirements for air-cooled equipment, including specific efficiency and ambient-following control.
Example 10-12
Question
A new supermarket with an evaporative condenser is being commissioned. The control system designer has used a wetbulb-following control strategy to reset the system saturated condensing temperature (SCT) setpoint. The refrigeration engineer has calculated that adding a TD of 15°F (8.3°C) above the ambient wetbulb temperature should provide a saturated condensing temperature setpoint that minimizes the combined compressor and condenser fan power usage throughout the year. What might the system SCT and SCT setpoint trends look like over an example day?
Answer
The following figure illustrates what the actual saturated condensing temperature and SCT setpoints could be over an example day using the wetbulb-following control strategy with a 15°F (8.3°C) TD and also observing the 70°F (21°C) minimum condensing temperature requirement. As the figure shows, the SCT setpoint is continuously reset to 15°F (8.3°C) above the ambient wetbulb temperature until the minimum SCT setpoint of 70°F is reached. The figure also shows a maximum SCT setpoint (in this example, 90°F (32.2°C), which may be used to limit the maximum control setpoint, regardless of the ambient temperature value or TD parameter.

10.5.2.2 Condenser Specific Efficiency
All newly installed evaporative condensers, air-cooled condensers, and adiabatic condensers with capacities greater than 150,000 Btuh (at the specific efficiency rating conditions) shall meet the minimum specific efficiency requirements shown in Table 10-2.
|
Condenser Type |
Minimum Specific Efficiency |
Rating Condition |
|
Evaporative-Cooled |
160 Btuh/Watt |
100°F Saturated Condensing Temperature (SCT), 70°F Entering Wetbulb Temperature |
|
Air-Cooled |
65 Btuh/Watt |
105°F Saturated Condensing Temperature (SCT), 95°F Entering Drybulb Temperature |
|
Adiabatic Dry Mode |
45 Btuh/Watt (Halocarbon) |
105°F Saturated Condensing Temperature (SCT), 95°F Entering Drybulb Temperature |
Condenser specific efficiency is defined as:
Condenser Specific Efficiency = Total Heat Rejection (THR) Capacity/Input Power
The total heat rejection capacity is defined at the rating conditions of 100°F SCT and 70°F outdoor wetbulb temperature for evaporative condensers, and 105°F SCT and 95°F outdoor drybulb temperature for air-cooled and adiabatic (halocarbon refrigerant only) condensers. Total heat of rejection capacity for adiabatic condensers is based on dry mode ratings (i.e. no precooling of the air). Input power is the electric input power draw of the condenser fan motors (at full speed), plus the electric input power of the spray pumps for evaporative condensers. The motor power is the manufacturer’s published applied power for the subject equipment, which is not necessarily equal to the motor nameplate rating. Power input for secondary devices such as sump heaters shall not be included in the specific efficiency calculation.
The data published in the condenser manufacturer’s published rating for capacity and power shall be used to calculate specific efficiency. For evaporative condensers, manufacturers typically provide nominal condenser capacity and tables of correction factors that are used to convert the nominal condenser capacity to the capacity at various applied condensing temperatures and wetbulb temperatures. Usually the manufacturer publishes two sets of correction factors: one is a set of “heat rejection” capacity factors, while the other is a set of “evaporator ton” capacity factors. Only the “heat rejection” capacity factors shall be used to calculate the condenser capacity at the efficiency rating conditions for determining compliance with this section.
For air-cooled and adiabatic condensers, manufacturers typically provide the capacity at a given temperature difference (TD) between SCT and drybulb temperature. Manufacturers typically assume that air-cooled condenser capacity is linearly proportional to TD; the catalog capacity at 20°F TD is typically twice as much as at 10°F TD. The condenser capacity for air-cooled and adiabatic condensers at a TD of 10°F shall be used to calculate efficiency. If the capacity at 10°F TD is not provided, the capacity shall be scaled linearly.
Depending on the type of condenser, the actual manufacturer’s rated motor power may vary from motor nameplate in different ways. Air-cooled condensers with direct-drive original equipment manufacturer (OEM) motors may use far greater input power than the nominal motor horsepower would indicate. On the other hand, evaporative condenser fans may have a degree of safety factor to allow for higher motor load in cold weather conditions (vs. the 100°F SCT/70°F WBT specific efficiency rating conditions). Thus, actual motor input power from the manufacturer must be used for direct-drive air-cooled condensers. For evaporative condensers and fluid coolers, the full load motor power, using the minimum allowable motor efficiencies published in the Nonresidential Appendix NA-3: Fan Motor Efficiencies, is generally conservative, but manufacturer’s applied power should be used whenever possible to more accurately determine specific efficiency.
There are three exceptions to the condenser specific efficiency requirements.
1. If the store is located in Climate Zone 1 (the cool coastal region in Northern California).
2. If an existing condenser is reused for an addition or alteration.
3. If the condenser capacity is less than 150,000 Btuh at the specific efficiency rating conditions.
Example 10-13
Question
An air-cooled condenser is being designed for a new supermarket. The refrigerant is R-507. The condenser manufacturer’s catalogue states that the subject condenser has a capacity of 500 MBH at 10°F TD between entering air and saturated condensing temperatures with R-507 refrigerant. Elsewhere in the catalog, it states that the condenser has 10 ½ hp fan motors that draw 450 Watts each. Does this condenser meet the minimum efficiency requirements?
Answer
First, the condenser capacity must be calculated at the specific efficiency rating condition. From Table 10-6, we see that the rating conditions for an air-cooled condenser are 95°F entering drybulb temperature and 105°F SCT. The catalog capacity is at a 10°F temperature difference, which is deemed suitable for calculating the specific efficiency (105°F SCT - 95°F entering drybulb = 10°F TD). Input power is equal to the number of motors multiplied by the input power per motor:
10 fan motors x 450 Watts = 4,500 Watts fan motor
The specific efficiency of the condenser is therefore:
500MBH x 1,000 Btu/hr / 4,500Watts = 111Btu/hr/Watts 4,500 Watts
This condenser has a specific efficiency of 111 Btuh per watt, which is higher than the 65 Btuh per watt minimum requirement. This condenser meets the minimum specific efficiency requirements.
Example 10-14
Question
An evaporative condenser is being designed for a new supermarket. The manufacturer’s catalog provides a capacity of 2,000 MBH at standard conditions of 105°F SCT and 78°F wetbulb temperature. The condenser manufacturer’s catalog provides the following heat rejection capacity factors:

Elsewhere in the catalog, it states that the condenser model has one 10 HP fan motor and one 2 HP pump motor. Fan motor efficiencies and motor loading factors are not provided by the manufacturer. Does this condenser meet the minimum efficiency requirements?
Answer
First, the condenser capacity must be calculated at the specific efficiency rating condition. From Table 10-6, we see that the rating conditions for an evaporative condenser are 100°F SCT, 70°F WBT and a minimum specific efficiency requirement is 160 Btuh/watt. From the Heat Rejection Capacity Factors table, we see that the correction factor at 100°F SCT and 70°F WBT is 0.95. The capacity of this model at the specific efficiency rating conditions is:
2,000 MBH/0.95 = 2,105 MBH
To calculate input power, we will assume 100% fan and pump motor loading and minimum motor efficiencies since the manufacturer has not yet published actual motor specific efficiency at the specific efficiency rating conditions. We look up the minimum motor efficiency from Nonresidential Appendix NA-3: Fan Motor Efficiencies. For a 10 HP six-pole open fan motor, the minimum efficiency is 91.7%. For a 2 HP six-pole open pump motor, the minimum efficiency is 87.5%. The fan motor input power is calculated to be:
1 Motor x 10 HP x 746 watts x 100% assumed loading = 8,135 watts Motor HP 91.7% efficiency
The pump motor input power is calculated to be:
1 Motor x 2 HP x 746 watts x 100% assumed loading = 1,705 watts Motor HP 87.5% efficiency
The combined input power is therefore:
8,135 watts + 1,705 watts = 9,840 watts
Note: Actual motor power should be used when available. (See note in text.)
Finally, the efficiency of the condenser is:
(2,105 MBH x 1,000 Btuh) / 9,840 watts = 214 Btuh/watt MBH
214 Btuh per watt is higher than the 160 Btuh per watt requirement; this condenser meets the minimum efficiency requirements.
Example 10-15
Question
An adiabatic condenser is being designed for a new supermarket. The refrigerant is R-407A. The condenser manufacturer’s catalogue states that the subject condenser has a capacity of 550 MBH at 10°F TD between entering air drybulb temperature and saturated condensing temperatures with R-407A refrigerant when operating in dry mode. Elsewhere in the catalog, it states that the condenser has two 5 hp fan motors that draw 4.5 kW each. Does this condenser meet the minimum efficiency requirements?
Answer
First, the condenser capacity must be calculated at the specific efficiency rating condition. From Table 10-6, we see that the rating conditions for an air-cooled condenser are 95°F entering drybulb temperature and 105°F SCT. The catalog capacity is rated at a 10°F temperature difference, which is deemed suitable for calculating the specific efficiency (105°F SCT - 95°F entering drybulb = 10°F TD). Input power is equal to the number of motors multiplied by the input power per motor:
2 fan motors x 4500 Watts = 9,000 watts
The specific efficiency of the condenser is therefore:
(550MBH x 1,000 Btu/hr/MBH) / 9000 watts = 61 Btu/hr/watts
This condenser has a specific efficiency of 61 Btuh per watt, which is higher than the 45 Btuh per watt minimum requirement. This condenser meets the minimum specific efficiency requirements.
10.5.2.3 Condenser Fin Density
Air-cooled condensers shall have a fin density no greater than 10 fins per inch. Condensers with higher fin densities have a higher risk of fouling with airborne debris. This requirement does not apply for air-cooled condensers that use a microchannel heat exchange surface, since this type of surface is not as susceptible to permanent fouling in the same manner as traditional tube-and-fin condensers with tight fin spacing.
The fin spacing requirement does not apply to condensers that are reused for an addition or alteration.
10.5.2.4 Adiabatic Condenser Sizing
New adiabatic condensers on new refrigeration systems must follow the condenser sizing, fan control, and efficiency requirements as described in §120.6(b)1E.
Condensers must be sized to provide sufficient heat rejection capacity under design conditions while maintaining a specified maximum temperature difference between the refrigeration system SCT and ambient temperature. The design condenser capacity shall be greater than the calculated combined total heat of rejection (THR) of the dedicated compressors that are served by the condenser. If multiple condensers are specified, then the combined capacity of the installed condensers shall be greater than the calculated heat of rejection. When determining the design THR for this requirement, reserve or backup compressors may be excluded from the calculations.
§120.6(b)1E provides maximum design SCT values for adiabatic condensers. For this section, designers should use the 0.5 percent design drybulb temperature (DBT) from Table 10-4 – Design Day Data for California Cities in the Reference Joint Appendices JA2 to demonstrate compliance with this requirement.
Standard practice is for published condenser ratings to assume the capacity of adiabatic condensers is proportional to the temperature difference (TD) between SCT and DBT for operation in dry mode, regardless of the actual ambient temperature entering the condenser. For example, the capacity of an adiabatic condenser operating at an SCT of 80°F with a DBT of 70°F is assumed to be equal to the same unit operating at 110°F SCT and 100°F DBT during dry mode operation, since the TD across the condenser is 10°F in both examples. Thus, similar to air-cooled condensers, the requirement for adiabatic condensers does not have varying sizing requirements for different design ambient temperatures.
However, the Energy Standards have different requirements for adiabatic condensers depending on the space temperatures served by the refrigeration system. The maximum design SCT requirements are listed in Table 10-5 below:
|
Refrigerated Load Type |
Space Temperature |
Maximum SCT (dry mode) |
|
Cooler |
≥ 28°F |
Design DBT plus 30°F |
|
Freezer |
< 28°F |
Design DBT plus 20°F |
Often, a single refrigeration system and the associated condenser will serve a mix of cooler and freezer load. In this instance, the maximum design SCT shall be a weighted average of the requirements for cooler and freezer loads, based on the design evaporator capacity of the spaces served.
Example 10-16
Question
An adiabatic condenser is being sized for a system that has half of the installed capacity serving cooler space and the other half serving freezer space. What is the design TD to be added to the design drybulb temperature?
Answer
Using adiabatic condensers for coolers has a design approach of 30°F and for freezers a design approach of 20°F. When a system serves freezer and cooler spaces, a weighted average should be used based on the installed capacity. To calculate the weighted average, multiply the percentage of the total installed capacity dedicated to coolers by 30°F. Next, multiply the percentage of the total installed capacity dedicated to freezers by 20°F. The sum of the two results is the design condensing temperature approach. In this example, the installed capacity is evenly split between freezer and cooler space. As a result, the design approach for the air-cooled condenser is 25°F.
(50% x 20 °F) + (50% x 30°F) = 10 °F + 15 °F = 25 °F
This section addresses mandatory requirements for remote compressor systems and condensing units used for refrigeration. In addition to the requirements described below, all the compressors and all associated components must be designed to operate at a minimum condensing temperature of 70°F (21°C) or less.
10.5.3.1 Floating Suction Pressure Controls
Compressors and multiple-compressor suction groups must have floating suction pressure control to reset the saturated suction pressure control setpoint based on the temperature requirements of the attached refrigeration display cases or walk-ins.
Exceptions to the floating suction pressure requirements are:
1. Single compressor systems that do not have continuously variable-capacity capability.
2. Suction groups that have a design saturated suction temperature of 30°F or higher.
3. Suction groups that comprise the high side of a two-stage or cascade system.
4. Suction groups that primarily serve chillers for secondary cooling fluids.
5. Existing compressor systems that are reused for an addition or alteration.
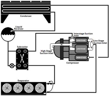
The examples of a two-stage system and a cascade system are shown in Figure 10-7 and Figure 10-8, respectively. Figure 10-9 shows a secondary fluid system.
Figure 10-7: Two-Stage System Using a Two-Stage Compressor

Figure 10-8: Cascade System

Figure 10-9: Secondary Fluid System

Example 10-16
Question
A retail food store has four suction groups, A, B1, B2, and C, with design saturated suction temperatures (SST) of -22°F, -13°F, 28°F and 35°F, respectively. System A is a condensing unit. The compressor in the condensing unit is equipped with two unloaders. Suction group B1 consists of a single compressor with no variable-capacity capability. Suction group B2 has four compressors with no variable-capacity capability and suction group C has three compressors with no variable-capacity capability. Which of these suction groups are required to have floating suction pressure control?
Answer
Suction groups A and B2 are required to have floating suction pressure control. The rationale is explained below.
Suction group A: Although the suction group has only one compressor, the compressor has variable-capacity capability in the form of unloaders. Therefore, the suction group is required to have floating suction pressure control.
Suction group B1: The suction group has only one compressor with no variable-capacity capability. Therefore, the suction group is not required to have floating suction pressure control.
Suction group B2: Although the suction group has compressors with no variable-capacity capability, the suction group has multiple compressors that can be sequenced to provide variable-capacity capability. Therefore, the suction group is required to have floating suction pressure control.
Suction group C: The design SST of the suction group is higher than 30°F. Therefore, the suction group is not required to have floating suction pressure control.
Example 10-17
Question
A retail food store has two suction groups, a low-temperature suction group A (-22°F design SST) and medium-temperature suction group B (18°F design SST). Suction group A consists of three compressors. Suction group B has four compressors that serve a glycol chiller working at 23°F. Which of these suction groups are required to have floating suction pressure control?
Answer
Suction group A: The suction group has multiple compressors. Therefore, the suction group is required to have floating suction pressure control.
Suction group B: Although the suction group has multiple compressors, it serves a chiller for secondary cooling fluid (glycol). Therefore, the suction group is not required to have floating suction pressure control.
Example 10-18
Question
A retail food store is undergoing an expansion and has two refrigeration systems: an existing system and a new CO2 cascade system. The existing system consists of four compressors and a design SST of 18°F. The cascade refrigeration system consists of four low-temperature compressors operating at -20°F SST and three medium-temperature compressors operating at 26°F SST. Which of these systems are required to have floating suction pressure control?
Answer
Existing system: Although the system has multiple compressors, the compressor system is being reused, and the existing rack controller and sensors may not support floating suction pressure control. Therefore, the system is not required to have floating suction pressure control.
Cascade system: Only the low-temperature suction group of the system is required to have floating suction pressure control.
Evaporator coils are sized to maintain a design fixture temperature under design load conditions. Design loads are high enough to cover the highest expected load throughout the year and inherently include safety factors. The actual load on evaporator coils varies throughout the day, month, and year, and an evaporator coil operating at the design saturated evaporating temperature (SET) has excess capacity at most times. The SET can be safely raised during these times, reducing evaporator capacity and reducing the required “lift” of the suction group, saving energy at the compressor while maintaining proper fixture (and product) temperature.
In a floating suction pressure control strategy, the suction group target saturated suction temperature (SST) setpoint is allowed to vary depending on the actual requirements of the attached loads, rather than fixing the SST setpoint low enough to satisfy the highest expected yearly load. The target setpoint is adjusted so that it is just low enough to satisfy the lowest current SET requirement of any attached refrigeration load while maintaining target fixture temperatures, but not any higher. The controls are typically bound by low and high setpoint limits. The maximum float value should be established by the system designer, but a minimum value equal to the design SST (that is no negative float) and a positive float range of 4-6°F of saturation pressure equivalent have been used successfully.
Figure 10-10 shows hourly values for floating suction pressure control over one week, expressed in equivalent saturation temperature. The suction pressure control setpoint is adjusted to meet the temperature setpoint at the most demanding fixture or walk-in. The difference in SST between the floating suction pressure control and fixed suction pressure control translates into reduced compressor work and, thus, energy savings for the floating suction control.
Figure 10-10: Example of Floating Suction Pressure Control

A. Floating Suction Pressure Control With Mechanical Evaporator Pressure Regulators
Mechanical evaporator pressure regulators (EPR valves) are often used on multiplex systems to maintain temperature by regulating the SET at each evaporator connected to the common suction group, and often to function as a suction stop valve during defrost. EPR valves throttle to maintain the pressure at the valve inlet and, thus, indirectly control the temperature at the case or walk-in. The valves are manually adjusted to the pressure necessary to provide the desired fixture or walk-in air temperature. The load (circuit) with the lowest EPR pressure governs the required compressor suction pressure setpoint.
Floating suction pressure on a system with EPR valves requires special attention to valve settings on the circuit(s) used for floating suction pressure control. EPR valves on these circuit(s) must be adjusted “out of range,” meaning the EPR pressure must be set lower than what would otherwise be used to maintain temperature. This keeps the EPR valve from interfering with the floating suction control logic. In some control systems, two circuits are used to govern floating suction control, commonly designated as primary and secondary float circuits. EPR valves may also be equipped with electrically controlled wide-open solenoid pilots for more fully automatic control, if desired.
Similar logic is applied on systems using on/off liquid line solenoid valves (LLSV) for temperature control, with the control of the solenoid adjusted slightly out of range to avoid interference with floating suction pressure.
These procedures have been employed to float suction on supermarket control systems since the mid-1980’s; however careful attention is still required during design, start-up, and commissioning to insure control is effectively coordinated.
Figure 10-11: Evaporators With Evaporative Pressure Regulator Valves

B. Floating Suction Pressure Control With Electronic Suction Regulators
An electronic suction regulator (ESR) valve is an electronically controlled valve used in place of a mechanical evaporator pressure regulator valve. ESRs are also known in the industry as electronic evaporator pressure regulators (EEPRs). ESR valves are not pressure regulators; instead they control the flow through the evaporator based on a setpoint air temperature at the case or walk-in. ESR valves are modulated to maintain precise temperature. This modulation provides more accurate temperature compared to an EPR that controls temperature indirectly through pressure and is subject to pressure drop in piping and heat load (and thus TD) on the evaporator coil.
Floating suction pressure strategies with ESR valves vary depending on the controls manufacturer but will generally allow for more flexibility than systems with EPR valves. In general, the control system monitors how much each ESR valve is opened. If an ESR is fully open, indicating that the evaporator connected to the ESR requires more capacity, the control system will respond by decrementing the SST setpoint. If all ESR valves are less than fully open, the control system increments the suction pressure up until an ESR valve fully opens. At this point, the control system starts floating down the suction pressure again. This allows suction pressure to be no lower than necessary for the most demanding fixture.
Figure 10-12 shows multiple evaporators controlled by ESR valves connected to a common suction group.
Figure 10-12: DX Evaporators With ESRs on a Multiplex System

10.5.3.2 Liquid Subcooling
Liquid subcooling must be provided for all low-temperature compressor systems with a design cooling capacity of 100,000 Btuh or greater and with a design saturated suction temperature of -10°F or lower. The subcooled liquid temperature of 50°F or less must be maintained continuously at the exit of the subcooler. Subcooling load may be handled by compressor economizer ports or by using a suction group operating at a saturated suction temperature of 18°F or higher. Figure 10-13 and Figure 10-14 show example subcooling configurations.
Exceptions to the liquid subcooling requirements are:
1. Low-temperature cascade systems that condense into another refrigeration system rather than condensing to ambient temperature.
2. Existing compressor systems that are reused for an addition or alteration.
Figure 10-13: Liquid Subcooling Provided by Scroll Compressor Economizer Ports

Figure 10-14: Liquid Subcooling Provided By a Separate Medium-Temperature System

All lighting for refrigerated display cases, and glass doors of walk-in coolers and freezers shall be controlled by either automatic time switch controls or motion sensor controls or both.
A. Automatic Time Switch Control
Automatic time switch controls shall turn off the lights during nonbusiness hours.
Timed overrides for a display case lineup or walk-in case may be used to turn on the lights for stocking or nonstandard business hours. The override must time-out and automatically turn the lights off again in one hour or less. The override control may be enabled manually (e.g. a push button input to the control system) or may be scheduled by the lighting control or energy management system.
B. Motion Sensor
Motion sensor control can be used to meet this requirement by either dimming or turning off the display case lights when space near the case is vacated. The lighting must dim so that the lighting power reduces to 50% or less. The maximum time delay for the motion sensor must be 30 minutes or less.
This section addresses mandatory requirements for the use of heat recovery from refrigeration system(s) to HVAC system(s) for space heating and the charge limitations when implementing heat recovery, including an overview of configurations and design considerations for heat recovery systems. Heat rejected from a refrigeration system is the total of the cooling load taken from display cases and walk-ins in the store plus the electric energy used by the refrigeration compressors. Consequently, there is a natural relationship between the heat available and the heating needed; a store with greater refrigeration loads needs more heat to makeup for the cases and walk-ins and has more heat available.
The heat recovery requirements apply only to space heating.
There are many possible heat recovery design configurations due to the variety of refrigeration systems, HVAC systems, and potential arrangement and locations of these systems. Several examples are presented here, but the Energy Standards do not require these configurations to be used. The heat recovery design must be consistent with the other requirements in the Energy Standards, such as condenser floating head pressure.
At least 25 percent of the sum of the design total heat of rejection (THR) of all refrigeration systems with individual design THR of 150,000 Btu/h or greater must be used for space heat recovery.
Exceptions to the above requirements for heat recovery are:
1. Stores located in Climate Zone 15, which is the area around Palm Springs, California. Weather and climate data are available in Joint Appendix JA2
2. The above requirements for heat recovery do not apply to the HVAC and refrigeration systems that are reused for an addition or alteration.
The Energy Standards also limit the increase in hydrofluorocarbon (HFC) refrigerant charge associated with refrigeration heat recovery. The increase in HFC refrigerant charge associated with refrigeration heat recovery equipment and piping must not be greater than 0.35 lbs. per 1,000 Btuh of heat recovery heating capacity.
Example 10-19
Question
A store has three new distributed refrigeration systems, A, B and C, with design THR of 140,000 Btuh, 230,000 Btu/h and 410,000 Btuh, respectively. What is the minimum required amount of refrigeration heat recovery?
Answer
Refrigeration
systems B and C have design THR of greater than 150,000 Btu/h, whereas
refrigeration system A has a design THR of less than 150,000 Btuh. Therefore,
the store must have the minimum refrigeration heat recovery equal to 25% of the
sum of THR of refrigeration systems B and C only. The minimum required heat
recovery is therefore:
25% x (230,000 Btuh + 410,000 Btuh) =
160,000 Btuh
Example 10-20
Question
How should the THR be calculated for the purpose of this section?
Answer
The THR value is equal to the total compressor capacity plus the compressor heat of compression.
Example 10-21
Question
A 35,000 ft2 food store is expanding to add 20,000 square feet area. The store refrigeration designer plans to use two existing refrigeration systems with 600,000 Btu/h of design total heat rejection capacity and add a new refrigeration system with a design total heat rejection capacity of 320,000 Btu/h. The store mechanical engineer plans to replace all the existing HVAC units. Is the store required to have refrigeration heat recovery for space heating?
Answer
Yes. The store must have the minimum required refrigeration heat recovery from the new refrigeration system. The new refrigeration system has a design THR of greater than 150,000 Btu/h threshold. The minimum amount of the refrigeration heat recovery is 25% of the new system THR. The existing refrigeration systems are not required to have the refrigeration heat recovery.
10.5.5.1 Refrigeration Heat Recovery Design Configurations
The designer of heat recovery systems must consider the arrangement of piping, valves, coils, and heat exchangers as applicable to comply with the Energy Standards. Numerous refrigeration heat recovery systems configurations are possible depending upon the refrigeration system type, HVAC system type and the store size. Some possible configurations are:
1. Direct heat recovery.
2. Indirect heat recovery.
3. Water loop heat pump system.
These configurations are described in more detail with the following sections.
A. Direct Heat Recovery
Figure 10-15 shows a series-connected direct condensing heat recovery configuration. In this configuration, the heat recovery coil is placed directly within the HVAC unit airstream (generally the unit serving the main sales area), and the discharge refrigerant vapor from the compressors is routed through the recovery coil and then to the outdoor refrigerant condenser when in heating mode. If two or more refrigeration systems are used for heat recovery, a multicircuit heat recovery coil could be used.
This configuration is very suitable when the compressor racks are close to the air handling units used for heat recovery. If the distance is too far, an alternative design should be considered; the long piping runs may result in a refrigerant charge increase that exceeds the maximum defined in the Energy Standards, or there may be excessive pressure losses in the piping that could negatively affect compressor energy.
Figure 10-15: Series Direct Heat Recovery Configuration

Figure 10-16 shows a parallel-connected direct-condensing configuration. In this configuration, the heat recovery coil handles the entire condensing load for the connected refrigeration system(s) when the air-handling unit is in heating mode. Reduced refrigerant charge is the primary advantage of this configuration. Since the unused condenser (either the heat recovery condenser or the outdoor condenser) can be pumped out, there is no increase in refrigerant charge. A high degree of design expertise is required with this configuration in that the heat recovery condenser and associated HVAC system must take the entire heating load while operating at reasonable condensing temperatures—in any event, no higher than the system design SCT and in most instances with reasonable design no higher than 95°F-100°F condensing temperature in the heat recovery condenser. Ducting with under case or low return air design is essential in this type of system, to obtain cooler entering air and maintain reasonable condensing temperatures. Provision is required for practical factors such as dirty air filters.
Since the main condenser is not in use during heat recovery, the condenser floating head pressure requirements do not apply.
Figure 10-16 Parallel Direct Condensing Heat Recovery Configuration

B. Indirect Heat Recovery
Figure 10-17 shows an indirect heat recovery configuration with a fluid loop. In this configuration, the recovered heat is transferred from the refrigerant to an intermediate fluid, normally water or water-glycol, which is circulated through a fluid-to-air heat exchanger located in the air-handling unit airstream. Like the direct condensing configuration, discharge refrigerant gas from the compressors is routed through the refrigerant-to-fluid heat exchanger and then to the outdoor refrigerant condenser when in heating mode.
The refrigerant-to-fluid heat exchanger can be located close to the refrigeration system compressors, maximizing the available heat for recovery while keeping the overall refrigerant charge increase low. This configuration is also suitable when multiple HVAC units are employed for the refrigeration heat recovery. Indirect systems must use a circulation pump to circulate the fluid between the HVAC unit and the recovery heat exchanger.
Figure 10-17: Indirect Heat Recovery With an Indirect Loop

Multiple refrigeration systems can also be connected in parallel or in series, using a common indirect fluid loop. Figure 10-18 shows three refrigeration systems connected in series by a common fluid loop. The temperatures shown are only examples.
Figure 10-18: Series-Piped Indirect Water Recovery

This configuration allows the refrigerant-to-water condenser temperature difference (TD) to be kept low at each refrigeration system (e.g. 8°-10°F is possible) while maintaining a sufficiently high water-side TD at the air-handling unit (e.g. 20°-25°F depending on specifics) to allow an effective selection of the water-to-air heating coil vs. the available airflow. This method also minimizes both the required fluid flow and pump power.
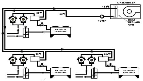
C. Water Loop Heat Pump Heat Recovery
Water-source heat pumps (WLHP) can be used for in conjunction with water cooled refrigeration systems, connected to a common water loop as shown in Figure 10-19. Refrigeration systems heat pumps serving various zones of the store reject heat into a water loop, which in turn is rejected to ambient by an evaporative fluid cooler. When the heat pumps are in heating mode, they extract the heat rejected by the refrigeration systems from the water loop. Additional heat, if required, is provided by a boiler connected to the water loop. A significant advantage of this design is low refrigerant charge, since the refrigeration systems use a compact water-cooled condenser, typically with less charge than an air-cooled condenser and no heat recovery condenser is required. Compared with other methods, however, the electric penalty is somewhat higher to utilize the available heat.
The floating pressure requirements in the standard would apply to the fluid coolers, i.e. controls to allow refrigeration systems to float to 70°F SCT and use of wetbulb following control logic.
Figure 10-19: Water Loop Heat Pump Example

10.5.5.2 Control Considerations
A. Holdback Considerations
For direct and indirect systems, a holdback valve is required to control the refrigerant condensing temperature in the heat recovery coil (for direct systems) or the refrigerant-to-water condenser (for indirect systems) during heat recovery. Regulating the refrigerant pressure to achieve condensing recovers the latent heat from the refrigerant. Without condensing, only the sensible heat (i.e. superheat) is obtained, which is only a small fraction of the available heat. Figure 10-20 is a pressure-enthalpy diagram showing the difference in available recovery heat from a refrigeration system with and without a holdback valve.
Figure 10-20: Pressure-Enthalpy Diagram With and Without a Holdback Valve

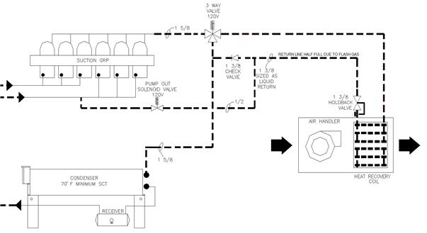
The holdback valve regulates pressure at the inlet and is at the exit of the recovery heat exchanger. Figure 10-21 shows a direct-condensing configuration with the proper location of the holdback valve.
Figure 10-21: Direct-Condensing Configuration Showing Location of Holdback Valve

A more advanced design uses an electronic holdback valve controlled based on the temperature of the air entering the heat recovery coil. The electronic heat recovery holdback valve controls the valve inlet pressure and thus the heat recovery coil condensing temperature to maintain only the pressure necessary to achieve the required condensing TD (heat recovery SCT less entering air temperature), thereby minimizing compressor efficiency penalty. This is particularly useful when the volume outside air can significantly change the mixed air temperature entering the heat recovery coil. In colder climates, reducing the heat recovery holdback pressure can be important as a means to avoid over-condensing (i.e. subcooling). As shown in the pressure-enthalpy diagram above, there is additional flash gas handled by the condenser (even if the refrigerant fully condenses in the heat recovery coil), which is necessary to maintain piping and condenser velocity and, thus, minimize the charge in the outdoor condenser.
Other designs can replace the three-way valve with a differential pressure regulator and solenoid valve. Figure 10-22 shows a direct-condensing configuration with an electronic heat recovery holdback valve, solenoid valve, and differential pressure regulator.
Figure 10-22:
Direct-Condensing Configuration Showing Differential Regulator,
Solenoid
Valve, Electronic Holdback Valve

B. Heat Recovery and Floating Head Pressure
There is typically a tradeoff between heat recovery and refrigeration system efficiency, in that compressor discharge pressure must be increased to provide condensing for heat recovery. If implemented properly, the electric penalty at the refrigeration system compressors is small compared to the heating energy savings.
The Energy Standards require that the minimum condensing temperature at the refrigeration condenser shall be 70°F or less. That means that (in the typical case of series-connected heat recovery) the refrigeration “cycle” still benefits from lower refrigerant liquid temperature, even if the compressor power is somewhat increased during heat recovery. The pressure-enthalpy diagram shown in Figure 10- 23 shows the incremental energy penalty at the refrigeration compressors due to the higher discharge pressure required for heat recovery, as well as the lower liquid temperature (and thus improved refrigerant cooling capacity) by floating head pressure at the outdoor condenser.
Figure 10-23: Pressure-Enthalpy Diagram for Heat Recovery

10.5.5.3 Recovery Coil Design Considerations
A. Recovery Coil Sizing Example
Selecting an appropriately sized heat recovery coil is essential to proper heat recovery system operation. The following example details the process of selecting a right-sized heat recovery coil.
Example 10-22
Question
A supermarket is being constructed that will use heat recovery. The refrigeration system selected for recovery has the following parameters:
Design refrigeration load: 455.8 MBH
System design SST: 24°F
Representative compressor capacity at design conditions: 54.2 MBH
Representative compressor power at design conditions: 5.59 kW
The HVAC system serving the supermarket sales area is a central air-handling unit. Heat recovery will be accomplished with a direct-condensing recovery coil inside the air-handling unit, downstream of both the return air duct and the outside air damper. The air-handling unit has the following design parameters:
Design air volume: 25,000 cfm
Design coil face area: 41.7 ft2
To avoid excessive pressure drop across the recovery coil, the designer will select a coil with a fin density of 10 fins per inch. The heat recovery circuit will use a holdback valve set at 95°F SCT.
What is the procedure for selecting a heat recovery coil?
Answer
To
size a heat recovery system, the designer should first establish a design
recovery coil capacity by analyzing the refrigeration system from which heat
will be recovered. Best practice dictates that the recovery system should be
sized to recover most of the available system total heat of rejection
at typical operating conditions, not peak conditions. Since we are designing for
average operating conditions, the designer assumes the average refrigeration
load is 70% of the design load. Therefore, the average system THR for heating
design is:
Average System THR = 70% x Design Refrigeration Load x THR Adjustment Factor
where:
THR
Adjustments Factor = Representative Compressor
THR
Representative Compressor Capacity
and:
Rep. Compressor THR = Rep. Compressor Capacity + Rep. Compressor Heat of Compression
Using
values from the example:
Representative Compressor THR = 54.2MBH +
(5.50 kW x 3.415
MBH)
kW
Representative Compressor THR = 73.3 MBH
Therefore,
THR
Adjustment Factor = 73.3
MBH
54.2 MBH
THR Adjustment Factor = 1.35
Using
the values in this example and the calculated THR adjustment factor, the average
system THR is:
Average system THR = 70% x 455.8 MBH x1.35
Average system THR = 430.1 MBH
The recovery system will not be capable of extracting 100% of the total heat of rejection since the condenser operates at a lower pressure and will reject additional heat, even if the heat recovery coil achieves full condensing. In addition, the heat recovery coil performance may often be limited by the available airflow across the coil and the consequent temperature rise vs. the heat being transferred. This performance is determined through evaluation of coil performance, considering entering air temperature, and condensing temperature, as well as the coil design (e.g. rows, fins, air velocity and other factors). Airside pressure drop can be minimized by using a larger face area, requiring lower face velocity and fewer rows.
For in this example, it was assumed that after evaluating coil performance, 85% of the average THR could be recovered with a reasonable coil velocity and coil depth.
Available Heat for Reclaim = 85% x Average System THR
Available Heat for Reclaim = 85% x 430.1 MBH
Available heat for Reclaim = 365.6 MBH
The available heat for recovery is the design capacity of the recovery coil we will select for our air-handling unit.
Next, the designer needs to know the face velocity of the airstream in the air-handling unit. The face velocity is:
F.V.
= Design cfm
AHU Face Area
F.V.
= 25,000
cfm
41.7 ft2
F.V. = 600 ft/min
Finally, the designer needs to know the temperature difference between the condensing temperature (inside the recovery coil) and the temperature of the air entering the recovery coil. Since the coil will be installed in an air-handling unit downstream of the outside air damper, the designer assumes that the air entering the coil is a mix of return air from the store and outside air. The designer must determine an appropriate design temperature for the air entering the recovery coil (entering air temperature or EAT) during average heating hours, which in this instance was determined to be 65°F. From the example, the heat recovery system will have a holdback valve setting of 95°F SCT. Therefore, the temperature difference is:
TD = SCT – EAT
TD = 95oF - 65 oF
TD = 30 oF
Using the face velocity, design coil capacity, and temperature difference between condensing temperature and entering air temperature, the designer then refers to the air-handling unit catalog to select a recovery coil. Then the designer uses the following two tables:


The designer enters the first table with the calculated TD of 30°F, finding a correction factor of 0.6. We enter the second table with the value:
MBH
per SQ FT = (Design Coil Capacity) / Correction
Factor
Coil Face Area
MBH
per SQ FT = (4184 MBH) /
0.6
41.7 ft2
MBH per SQ FT = 16.72
Per design requirements, the designer will select a 10-fin-per-inch coil. From the second table, the designer selects the three-row, 10-fin-per-inch coil for this application.
More commonly, computerized selection tools are used to select heat recovery coils, allowing vendors to provide multiple selections for comparison.
B. Air-Side Integration Considerations
1. Return Air Location
In supermarkets, ducting return air from behind display cases or near the floor is beneficial in improving comfort by removing the stagnant cool air that naturally occurs due to product refrigeration cases. This approach also increases the effectiveness of refrigeration heat recovery by increasing the temperature difference between the return air temperature and the refrigerant condensing temperature in the heat recovery coil. Figure 10-24 shows the location of an HVAC return air duct positioned to scavenge cool air from the floor level near refrigerated display cases.
Figure 10-24: Low Return Air Example

2. Return Air Duct Configuration
Heat recovery can be incorporated into rooftop HVAC units (RTU) by installing the heat recovery coil inside the RTU cabinet or by installing in the return air duct upstream of the RTU, as shown in Figure 10-25. Location inside the RTU is preferable when outside air is a substantial part of the heating load, but location in the return air duct is reasonable and can provide greater flexibility in selecting the heat recovery coil (e.g. for low face velocity and pressure drop), particularly when coupled with low return air on units in the refrigerated space, which predominantly provide heating. The fan design must allow for the additional ductwork and coil pressure drop.
Figure 10-25: Heat Recovery Coil in Return Air Duct

3. Transfer Fan Configuration
A ducted transfer system is sometimes employed to remove cold air from aisles with refrigerated display cases (rather than blowing warm air into the refrigerated areas) and can be an easy and appropriate way to use heat recovery, particularly from smaller distributed systems. Figure 10-26 depicts a ducted transfer system.
Figure 10-26: Ducted Transfer System

4. Calculating Charge Increase
The Energy Standards require that the increase in HFC refrigerant charge from all equipment related to heat recovery for space heating shall be less than 0.35 lbs. for every 1,000 Btuh of heat recovery capacity at design conditions. Refrigerant charge may increase due to the addition of the recovery coil itself (either the refrigerant-to-air heat exchanger for direct configurations, or the refrigerant-to-water heat exchanger for indirect configurations) and the additional piping between the compressor group and the recovery coil. In addition, the refrigerant leaving the recovery coil and entering the refrigerant condenser will be mostly condensed, which increases the charge in the outdoor condenser compared with normal operation. Operating the outdoor condenser at lower pressure (i.e. the required floating heat pressure control) vs. the higher setting at the heat recovery coil holdback valve creates pressure drop, flashing of some liquid to vapor and an increase in velocity due to the much larger volume of a pound of vapor vs. a point of liquid refrigerant. Split condenser control, which is very common in cooler climates, can also be used to close off and pump out half of the outdoor condenser.
It is the responsibility of the system designer to fully understand how the heat recovery system affects overall refrigerant charge.
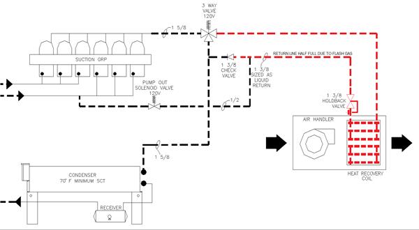
Example 10-23
Question
A heat recovery system is being designed for a new supermarket. The refrigerant is R-404A. The proposed design is shown below:

Which piping runs should be included in the calculation of refrigerant charge increase in the proposed design?
Answer
Only the additional piping required to route the refrigerant to the heat recovery coil needs to be considered in this calculation. The piping runs shown in red in the following figure should be included in the calculation of refrigerant charge increase from heat recovery.

Example 10-24
Question
What is the refrigerant charge size increase in the example described above?
Answer
The system designer prepares the following analysis to calculate the charge size in the refrigerant piping.

The outdoor condenser has a capacity of 350 MBH at a TD of 10°F. Using the manufacturer’s published data, the designer determines that the condenser normal operating charge (without heat recovery) is 26.9 lbs. To calculate the charge increase in the condenser due to heat reclaim, the designer estimates the condenser could be as much as 75% full of liquid, resulting in a condenser charge of 68.8 lbs. with heat recovery.
The heat recovery coil has a capacity of 320 MBH at a design TD of 20°F. The system designer uses manufacturer’s documentation to determine that the heat recovery coil refrigerant charge is 14.1 lbs.
The total refrigerant charge with heat recovery is:
32.2 lbs (piping) + 68.8 lbs (system condenser) + 14.1 lbs (recovery coil) = 115.1 lbs
Therefore, the refrigerant charge increase with heat recovery is: 115.1 lbs – 26.9 lbs = 88.2 lbs
Example 10-25
Question
In the example above, does the recovery design comply with the requirement in the Energy Standards that the recovery design shall use at least 25% of the design total heat of rejection (THR) of the refrigeration system?
Answer
The system designer determines that the total THR of all the refrigeration systems in the new supermarket is 800 MBH. From the previous example, the heat recovery capacity is 320 MBH.
100
% x 320 MBH = 40%
800 MBH
Therefore, the design complies with the Energy Standards.
Example 10-26
Question
In the example above, does the recovery design comply with the requirement in the Energy Standards that the recovery design shall not increase the refrigerant charge size by more than 0.35 lbs. of refrigerant per 1,000 Btuh of recovery capacity?
Answer
From the previous example, the recovery capacity is 320 MBH at design conditions, and the total refrigerant charge size increase is 88.2 lbs.
88.2
lbs = 0.28 lbs/Btuh
320 MBH
Since the refrigerant charge increases by less than 0.35 lbs/MBH, this design complies with the Energy Standards.
§141.1(b)
The specific requirements for additions and alterations for commercial refrigeration are included in §120.6(b).