This section of the manual focuses on the Energy Standards provisions unique to refrigerated warehouses. The Energy Standards described in this chapter of the manual address refrigerated space insulation levels, underslab heating requirements in freezers, infiltration barriers, evaporator fan controls, condenser sizing and efficiency requirements, condenser fan controls, and screw compressor variable-speed requirements.
All buildings regulated under Part 6 of the Energy Standards must also comply with the general provisions of the Energy Standards (§100.0 – §100.2, §110.0 – §110.10, §120.0 – §120.9, §130.0 – §130.5) and additions and alterations requirements (§141.1). These topics are generally addressed in Chapter 3 of this manual.
10.6.1.1 Mandatory Measures and Compliance Approaches
The energy efficiency requirements for refrigerated warehouses are all mandatory. There are no prescriptive requirements or performance compliance paths for refrigerated warehouses. Since the provisions are all mandatory, there are no trade-offs allowed between the various requirements. The application must demonstrate compliance with each of the mandatory measures. Exceptions to each mandatory requirement, when applicable, are described in each of the mandatory measure sections below.
10.6.1.2 Scope and Application
§120.6(a) of the Energy Standards addresses the energy efficiency of refrigerated spaces within buildings, including coolers and freezers, as well as the refrigeration equipment that serves those spaces. Coolers are defined as refrigerated spaces designed to operate between 28°F (-2°C) and 55°F (13°C). Freezers are defined as refrigerated spaces designed to operate below 28°F (-2°C). The Energy Standards does not address walk-in coolers and freezers, defined as refrigerated spaces less than 3,000 ft2, as these are covered by the Appliance Efficiency Regulations (Title 20). However, refrigerated warehouses and spaces with a total of 3,000 ft² or more and served by a common refrigeration system are covered by the Energy Standards and required to comply with §120.6(a).
Furthermore, areas within refrigerated warehouses designed solely for quick chilling or quick freezing of products have some exceptions for evaporators and compressors. Quick chilling and freezing spaces are defined as spaces with a design refrigeration evaporator load of greater than 240 Btu/hr-ft² of floor space, which is equivalent to 2 tons per 100 ft² of floor space. A space used for quick chilling or freezing and used for refrigerated storage must still meet the requirements of §120.6(a).
The intent of the Energy Standards is to regulate storage space, not quick chilling or freezing space or process equipment. Recognizing that there is often a variety of space types and equipment connected to a particular suction group in a refrigerated warehouse, it is not always possible to identify compressor plant equipment that serves the storage space only. It would be outside the intent of the Energy Standards to apply the compressor plant requirements to an industrial process that is not covered by the Energy Standards simply because a small storage space is also attached to the suction group. Similarly, it would be outside the intent of the Energy Standards to exclude a compressor plant connected to a suction group serving a large storage space covered by the Energy Standards on the basis of a small process cooler or quick chill space also connected to the same suction group. For compliance, the compressor plant requirements in §120.6(a)5B apply when 80 percent or more of the design refrigeration capacity connected to the suction group is from refrigerated storage space(s). A suction group refers to one or more compressors that are connected to one or more refrigeration loads whose suction inlets share a common suction header or manifold.
A variety of space types and processes may be served by a compressor plant at different suction pressures. When all of these compressors share a common condensing loop, it is impossible to address only the equipment serving refrigerated storage spaces. For compliance, the provisions addressing condensers, subsection §120.6(a)4A. and 4B, apply only to new condensers that are part of new refrigeration systems when the total design capacity of all refrigerated storage spaces served by compressors using a common condensing loop is greater than or equal to 80 percent of the total design capacity.
In addition to an all-new refrigerated facility, the Energy Standards cover expansions and modifications to an existing facility and an existing refrigeration plant. The Energy Standards do not require that all existing equipment must comply when a refrigerated warehouse is expanded or modified using existing refrigeration equipment. Exceptions are stated in the individual equipment requirements and an explanation of applicability to additions and alterations is included in Section 10.4.
10.6.1.3 Ventilation
Section 120.1(a)1 of the Energy Standards, concerning ventilation requirements, includes an exception for “Refrigerated warehouses and other spaces or buildings that are not normally used for human occupancy and work.” The definition of refrigerated warehouses covers all refrigerated spaces at or below 55°F (13°C), which will in some instances include spaces with occupancy levels or durations, effect of stored product on space conditions, or other factors that may require ventilation for one or more reasons. Accordingly, while the Energy Standards do not require ventilation for refrigerated warehouses, it is acknowledged that ventilation may be needed in some instances and is left to the determination of the owner and project engineer.
Example 10-27
Question
A space that is part of a refrigerated facility is used solely to freeze meat products and not for storage. The design evaporator load is 310 Btu/hr-ft² at the applied conditions. Does the space have to comply with the space requirements in §120.1(a)1 of the Energy Standards?
Answer
Yes. If the warehouse is 3,000 ft2 or larger or served by a refrigeration system serving 3,000 ft2 or more, it must meet all the requirements in subsections 1,2, 6, and 7. It also must meet the requirements of subsections 3A, 4C, 4D, 4E, 4F, 4G, 5A, and 5C. There are exceptions for 3B, 3C, 4A, 4B, and 5B.
Example 10-28
Question
A refrigerated warehouse space is used to cool and store melons received from the field. After the product temperature is lowered, the product is stored in the same space for a few days until being shipped or sent to packaging. The design evaporator capacity is 300 Btu/hr-ft2 at the applied conditions. Does the space have to comply with all the space requirements of §120.1(a)1 of the Energy Standards?
Answer
Yes. While the design evaporator capacity is greater than 240 Btu/hr-ft² and the space is used for product pull down for part of the time, the space is also used for holding product after it has been cooled. Accordingly, the space has to comply with the space requirements of §120.1(a)1 of the Energy Standards.
Comment: This measure does not define a specific time limit that a quick chill (which for clarity includes quick “freeze”) space could operate as a holding space (i.e. at full speed and thus full fan power). The typical high fan power density in a quick chill space, particularly at full speed after the high cooling load has been removed, is very inefficient. Thus a reasonable expectation for a dedicated quick chill space is to allow no more time (at full speed) than is appropriate to remove the product in a normal business cycle of loading, cooling/freezing, and removing product once it has been reduced to temperature. If product is to be held any longer, variable-speed is required to reduce fan power. Variable-speed requirements are discussed in under mechanical system requirements (sub-section 10.6.3B) of Chapter 10.
Example 10-29
Question
A new refrigeration system serves both storage and quick chilling space. The design refrigeration capacity of the storage space is 500 tons. The design capacity of the quick chilling space is 50 tons. Is the refrigeration system required to meet all the requirements of §120.1(a)1 of the Energy Standards?
Answer
Yes. Since more than 80 percent of the design capacity of the system serves storage space, the refrigeration system requirements apply.
Example 10-30
Question
A new refrigerated warehouse is being constructed, which will include a 1,500 ft² cooler space and a 2,500 ft² freezer space. Both the cooler and freezer are served by a common refrigeration system. Is the refrigeration system required to comply with this standard?
Answer
Since the suction group serves a total 4,000 ft² of refrigerated floor area, the spaces must meet all the requirements of §120.6(a).
Section 120.6(a). subsections 1, 2, and 6 of the Energy Standards address the mandatory requirements for refrigerated space insulation, underslab heating, and infiltration barriers.
10.6.2.1 Envelope Insulation
A. Wall and Roof Insulation
Manufacturers must certify that insulating materials comply with California Quality Standards for Insulating Material (C.C.R., Title 24, Part 12, Chapters 12-13), which ensure that insulation sold or installed in the state performs according to stated R-values and meets minimum quality, health, and safety standards. These standards state that all thermal performance tests shall be conducted on materials that have been conditioned at 73.4° ± 3.6°F and a relative humidity of 50 ± 5 percent for 24 hours immediately preceding the tests. The average testing temperature shall be 75° ± 2°F with at least a 40°F temperature difference. Builders may not install insulating materials unless the product has been certified by the Department of Consumer Affairs, Bureau of Home Furnishing and Thermal Insulation. Builders and enforcement agencies shall use the Department of Consumer Affairs Directory of Certified Insulation Material to verify certification of the insulating material.
Refrigerated spaces with 3,000 ft² of floor area or more shall meet the minimum R-Value requirements shown in Table 10-3.
|
SPACE |
SURFACE |
MINIMUM R-VALUE (°F⋅hr⋅ft²/Btu) |
|
Freezers |
R-40 | |
|
Wall |
R-36 | |
|
Floor |
R-35 | |
|
Floor with all heating from productive refrigeration capacity |
R-20 | |
|
Coolers |
Roof/Ceiling |
R-28 |
|
Wall |
R-28 |
The R-values shown in Table 10-3 apply to all surfaces enclosing a refrigerated space, including refrigerated spaces adjoining conditioned spaces, other refrigerated spaces, unconditioned spaces and the outdoors. If a partition is used between refrigerated spaces that are designed to always operate at the same temperature, the requirements do not apply. The R-values are the nominal insulation R-values and do not include other building materials or internal or external “film” resistances.
Example 10-31
Question
A refrigerated warehouse designed to store produce at 45°F (7°C) is constructed from tilt-up concrete walls and concrete roof sections. What is the minimum R-value of the wall and roof insulation?
Answer
Since the storage temperature is greater than 28°F (-2°C), the space is defined as a cooler. The minimum R-value of the wall and roof insulation according to Table 10-3 is R-28.
Example 10-32
Question
A refrigerated warehouse is constructed of a wall section consisting of 4 inches of concrete, 6 inches of medium density (2 lb/ft³) foam insulation, and another 4 inches of concrete. The nominal R-value of the foam insulation is R-5.8 per inch. What is the R-value of this wall section for code compliance?
Answer
The insulating value of the concrete walls is ignored. The R-value of this wall section for code compliance purposes is based on the 6 inches of foam insulation at R-5.8 per inch, or R-34.8.
Example 10-33
Question
A 35°F cooler space is adjacent to a -10°F freezer space. What is the minimum required insulation R-value of the shared wall between the cooler and freezer spaces?
Answer
The minimum insulation R-value requirements should be interpreted to apply to all surfaces enclosing the refrigerated space at the subject temperature. Therefore, since the freezer space walls must be insulated to the minimum R-value requirements shown in Table 10-3, the R-value of the shared wall insulation must be at least R-36. The minimum insulation R-value requirement of the other three cooler walls is R-28. The figure below illustrates this example.

B. Freezer Floor Insulation
Freezer spaces with 3,000 ft² of floor area or more shall meet the minimum floor insulation R-value requirements shown in Table 10-3. The requirement is a minimum R-value of R-35, with an exception if the underslab heating system increases productive refrigeration capacity, in which case the minimum R-value is R-20.
The predominant insulating material used in freezer floors is extruded polystyrene, which is commonly available in 2”-thick increments but can be purchased in 1”-thick increments as well. Extruded polystyrene has an R-value of R-5 per inch at standardized rating conditions, and extruded polystyrene panels can be stacked, so the freezer floor can be constructed with R-value multiples of 5 (R-30, R-35, R-40).
A lower floor insulation R-value of R-20 is allowed if all the underslab heat is provided by an underslab heating system that increases productive refrigeration capacity. An example of an underslab heating system using heat from a refrigerant liquid subcooler is shown in Figure 10-27.
Figure 10-27: Underslab Heating System That Uses Refrigerant Subcooling

The lower R-value requirement when this type of underslab heating system is used is justified because the increased underslab heat gain to the space due to reduced insulation is offset by the heat extracted from the refrigerant liquid, which is a direct reduction in compressor load. The minimum requirement of R-20 does not mean that R-20 is the optimum or appropriate insulation choice in all installations. Rather, R-20 is a cost-effective trade-off when underfloor heating is obtained via productive refrigeration. Higher insulation levels combined with heating from productive refrigeration would improve efficiency.
10.6.2.2 Underslab Heating Controls
Underslab heating systems should be used under freezer spaces to prevent soil freezing and expansion. The underslab heating element might be electric resistance, forced air, or heated fluid; however, underslab heating systems using electric resistance heating elements are not permitted unless they are thermostatically controlled and disabled during the summer on-peak period. The summer on-peak period is defined by the supplying electric utility but generally occurs from 12 p.m. to 6 p.m. weekdays from May through October. The control system used to control any electric resistance underslab heating elements must automatically turn the elements off during this on-peak period. The control system used to control electric resistance underslab heating elements must be shown on the building drawings, and the control sequence demonstrating compliance with this requirement must be documented on the drawings and in the control system specifications.
10.6.2.3 Infiltration Barriers
120.6(a)6.. Passageways between freezers and higher-temperature spaces, and passageways between coolers and nonrefrigerated spaces, shall have an infiltration barrier such as:
•Strip curtains.
•An automatically closing door.
•Air curtain.
Examples of each are shown in the figures below.
Figure 10-28: Strip Curtains

Figure 10-29: Biparting Automatic Door

Figure 10-30: Hinged Door With Spring-Action Door Closer and Door “Tight” Closer

Figure 10.31: Air Curtain

The passageways may be for, but are not limited to, people, forklifts, pallet lifts, hand trucks, or conveyor belts.
Strip curtains are commercial flexible plastic strips made for refrigerated openings with material type, weight, and overlap designed for the size of the passageway opening and the temperatures of the subject spaces.
An automatically closing door is a door that fully closes under its own power. Examples include:
a. Single-acting or double-acting hinge-mounted doors with a spring assembly or cam-type gravity hinges.
b. Powered single-sliding, biparting, or rollup doors that open based on a pull cord, proximity or similar sensors, or by operator signal and close automatically through similar actions or after a period sufficient to allow passageway transit.
An air curtain is a commercial fan-powered assembly intended to reduce air infiltration and designed by the manufacturer for use on refrigerated warehouse passageways and on the opening size and the temperatures for which it is applied.
There are two exceptions to the requirements for infiltration barriers:
1. Openings with less than 16 ft2 of opening area, such as small passageways for conveyor belts
2. Loading dock doorways for trailers.
Example 10-34
Question
A refrigerated warehouse includes a freezer, cooler, a refrigerated dock, and a conditioned office, as shown in the following figure. Where are infiltration barriers required?

Answer
Infiltration barrier are required between all spaces, including the hinge-mounted doors between the dock and the office. The dock doors do not require infiltration barriers.
Example 10-35
Question
A refrigerated warehouse is being constructed for a flower distribution company. Strip curtains cannot be used on the doors because the strips will damage the flowers when the pallet jack passes through. Is the warehouse still required to have infiltration barriers?
Answer
Yes, the warehouse is required to have infiltration barriers. If strip curtains cannot be used, the designer may choose another method, such as double-acting hinged doors, sliding doors, or rollup doors with automatic door closers.
10.6.2.4 Acceptance Requirements
The Energy Standards include acceptance test requirements for electric resistance underslab heating systems in accordance with NA7.10.1. The test requirements are described in Chapter 13 and the Reference Nonresidential Appendix NA7.10. The test requirements are described briefly in the following paragraph.
A. Electric Resistance Underslab Heating System
The acceptance requirements include functional tests that are to be performed to verify that the electric resistance underslab heating system automatically turns off during a test on-peak period.
10.6.3.1 Overview
This section addresses mandatory requirements for mechanical systems serving refrigerated spaces. Mechanical system components addressed by the Energy Standards include evaporators (air units), compressors, condensers, and refrigeration system controls. The requirements for each of these components are described in the following sections. The requirements apply to all system and component types with the exception of the specific exclusions noted in §120.6(a).. The following figures identify some of the common system and component configurations that fall under §120.6(a)..
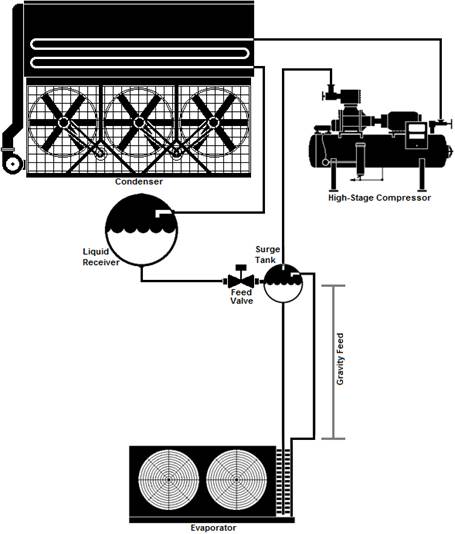
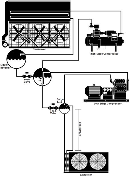
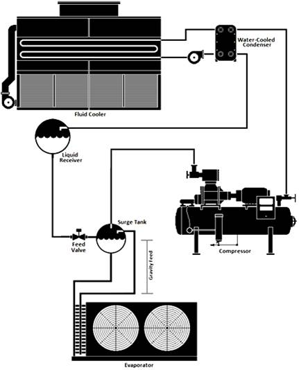
Figure 10-32 is a schematic of a single-stage system with direct expansion (DX) evaporator coils. Figure 10-33 identifies a single-stage system with flooded evaporator coils, while Figure 10-34 shows a single-stage system with pump recirculated evaporators. Figure 10-35 is a schematic of a typical two-stage system with an intercooler between the compressor stages. Figure 10-36 is a single-stage system with a water-cooled condenser and fluid cooler.
Figure 10-32: Single-Stage System With DX Evaporator Coil

Figure 10-33: Single-Stage System With Flooded Evaporator Coil

Figure 10-34: Single-Stage System With Pump Recirculated Evaporator Coils

Figure 10-35: Two-Stage System With Flooded Evaporator Coil

Figure 10-36: Single-Stage System With Water-Cooled Condenser Served by Fluid Cooler

10.6.3.2 Evaporators
New fan-powered evaporators used in coolers and freezers must meet the fan motor type, efficiency, and fan control requirements outlined in the Energy Standards.
A. Allowed Fan Motor Types
Single-phase fan motors less than 1 horsepower and less than 460 volts must be either electronically commutated (EC), also known as Brushless Direct Current (DC), or must have an efficiency of 70 percent or more when rated in accordance with NEMA Standard MG 1-2006 at full-load rating conditions. This requirement is designed to reduce fan power in small evaporator fans.
B. Fan Motor Control
The speed of all evaporator fans served by either a suction group with multiple compressors or by a single compressor with variable-capacity capability must be controlled in response to space temperature or humidity using a continuously variable-speed control method. Two-speed control of evaporator fans is not an acceptable control method.
The fan speed is controlled in response to space temperature or humidity. Fan speed should increase proportionally when the space temperature is above the setpoint and decrease when the space temperature is at or below the setpoint, with refrigerant supply and pressure being maintained in the evaporator cooling coil. Fan speed is equivalent to air volume being circulated, resulting in direct control of cooling capacity, analogous to “variable air volume” cooling in commercial buildings. The control logic requires design and tuning to provide “variable” capacity operation.
The use of humidity as the control variable for speed control is very limited in practice but is included in the Energy Standards to accommodate special strategies for humidity-sensitive perishable product. Control logic in these applications will often employ humidity in conjunction with temperature.
The intent of this requirement is to take advantage of the “third-power” fan affinity law, which states that the percentage of required fan motor power is roughly equal to the cube of the percentage of fan speed, while the airflow is linearly proportional to the fan speed. For example, a fan running at 80 percent speed requires about 51 percent (80%3 = 51%) power while providing nearly 80 percent airflow (Figure 10-37). Actual power is somewhat higher due to inefficiencies and drive losses. This shows the relationship between fan speed and both required fan power and approximate airflow.
There is no requirement in the Energy Standards for the minimum speed setting (i.e. how low the fan speed must go at minimum load). Variable-speed controls of evaporator fans have commonly used minimum speeds of 80 percent or lower on direct expansion coils and 70 percent or lower on flooded or recirculated coils. The allowable minimum fan speed setting is to be determined by the refrigeration system designer. The fan speed may be adjusted or controlled to maintain adequate air circulation to ensure product integrity and quality.
Figure 10-37: Relationship Between Fan Speed and Required Power

Correct fan speed control requires the associated system suction pressure to be controlled such that evaporator capacity is sufficient to meet space loads. If the evaporator suction pressure is too high relative to the desired room temperature, the evaporator fans will run at excessively high speed, and energy savings will not be realized. If floating suction pressure automation is used to optimize the suction pressure setpoint, suction pressure should be allowed only to float up after fan speeds are at minimum and should be controlled to float back down prior to increasing fan speeds.
The Energy Standards have three exceptions to the evaporator variable speed requirement:
1. In case of a replacement, addition or alteration of existing evaporators with no variable-speed control, the variable-speed control of the evaporators is mandatory only if the replacement, addition, or alteration is done for all the evaporators in an existing space. [Exception 1 to §120.6(a)3B.]
2. A controlled atmosphere (CA) storage where products that require 100 percent of the design airflow at all times are stored may be exempt from the variable-speed control requirement. A licensed engineer must certify that the products in the cooler require continuous airflow at 100 percent speed. Variable-speed control must be implemented if the space will also be used for non-CA product or operation. [Exception 2 to §120.6(a)3B.]
3. The variable-speed control is not mandatory for spaces that are used solely for quick chilling or quick freezing of products. Such spaces have design cooling capacities that are greater than 240 Btu/hr-ft² of floor area, which is equivalent to 2 tons per 100ft² of floor area. However, variable-speed control must be implemented if the spaces are used for storage for any length of time, regardless of how much refrigeration capacity is installed in the space. [Exception 3 to §120.6(a)3B.].
Example 10-36
Question
A split system with a packaged air-cooled condensing unit with a single 30 HP compressor with unloaders serves two direct expansion evaporators in a 3,200 ft² cooler. Are the evaporator fans required to have variable-speed control?

Answer
Yes. Since the compressor has a variable-capacity capability in the form of unloaders, the evaporator fans are required to have variable-speed control.
Example 10-37
Question
A refrigeration system uses two reciprocating compressors without variable-capacity capability connected in parallel and serves multiple evaporators in a 10,000 ft² cooler. Are the evaporator fans required to have variable-speed control

Answer
Yes. Since the evaporators are served by more than one compressor, they must have variable-speed control, even though the compressors are not equipped with capacity control devices (e.g. unloaders).
In practice, the designer should consider the steps of capacity necessary to allow stable control. For small systems, the designer may consider use of proportional controls for compressor capacity steps and speed steps in unison. As long as this control scheme is in response to space temperature, it would be consistent with the Energy Standards.
Example 10-38
Question
A -20°F (-29°C) freezer has several recirculated evaporator coils that were selected to meet the design load at a 10°F (5.5°C) temperature difference (TD). The evaporator fan motors use variable-speed drives and the control system varies the fan speed in response to space temperature. What should the freezer saturated suction temperature be to achieve proper control and savings – by allowing fan speed control to act as the primary means of temperature control.
Answer
Since the coils were designed at a 10°F (5.5°C) TD and the target freezer temperature is -20°F (-29°C), the saturated evaporating temperature should be -30°F (-34°C) (-20°F minus 10°F), with the compressor controlled at a lower temperature, based on the design piping pressure drop. For example, with 2°F (1°C) of piping losses, the compressor control setpoint would be -32°F (-36°C).
This example sought to show how evaporator temperature and coil capacity can be considered and maintained to achieve proper variable-speed fan operation and savings. Settings could be fine-tuned through observation of the required suction pressure to meet cooling loads and achieve minimum fan speeds average load periods, yet with a suction pressure no lower than necessary.
Example 10-39
Question
An existing refrigerated warehouse space has eight evaporators that do not have variable-speed control. Six of the eight evaporators are being replaced with new evaporators. Do the new evaporators require variable-speed control?
Answer
No. Since all the evaporators are not being replaced, the new evaporators do not require variable-speed control.
The reason for this is that effective space temperature control would often require that the entire space use a consistent control scheme that could require a disproportional cost. While not required by the Energy Standards, in many instances it may still be very cost-effective to add variable-speed control to existing as well as new evaporators in this situation.
Continuously variable-speed control is not mandatory for evaporators that are served by a single compressor that does not have variable-capacity capability (i.e. the compressor cycles on and off in response to space temperature). For these systems, evaporator airflow must be reduced by at least 40 percent when the compressor is off. This can be accomplished in several ways, for example:
1. Two-speed evaporator fan control, with speed reduced by at least 40 percent when cooling is satisfied and the compressor is off.
2. Turning off a portion of the fans in each evaporator to accomplish at least 40 percent reduction in fan power. Typically, baffles are required to prevent reverse flow through fans that are turned off.
3. Turning off all fans when the compressor is off. With this strategy a duty cycle can be employed to provide period forced fan operation to maintain air circulation, if the “on” period is limited to 25 percent of the duty cycle while the compressor is off.
Example 10-40
Question
A split system with a packaged air-cooled condensing unit using a single cycling compressor without unloaders serves two evaporators in a cooler. Each evaporator has five fans. What options does the system designer have to meet the requirements for evaporator coils served by a single cycling compressor?

Answer
Multiple methods can be used to reduce airflow by at least 40% when the compressor is off, or turn all fans off with a 25% duty cycle.
Example 1: The designer may specify two-speed fans or utilize variable-frequency drives or other speed-reduction devices to reduce the fan speed to 60% or less when the compressor is off.
Example 2: The designer may use controls that cycle at least 4 of the 10 fans off when the compressor is cycled off. This would most likely be accomplished by cycling two fans off on each evaporator.
10.6.3.3 Condensers
New condensers on new refrigeration systems must follow the condenser sizing, fan control, and efficiency requirements as described in §120.6(a)4..
A. Condenser Sizing
§120.6(a)4A. and §120.6(a)4B. describe minimum sizing requirements for new condensers serving new refrigeration systems. Fan-powered evaporative condensers, as well as water-cooled condensers served by fluid coolers and cooling towers, are covered in §120.6(a)4A. Fan-powered air-cooled condensers are covered by §120.6(a)4B. Fan-powered adiabatic condensers are covered by §120.6(a)4C..
Condensers must be sized to provide sufficient heat rejection capacity under design conditions while maintaining a specified maximum temperature difference between the refrigeration system saturated condensing temperature (SCT) and ambient temperature. The design condenser capacity shall be greater than the calculated combined total heat of rejection (THR) of the dedicated compressors that are served by the condenser. If multiple condensers are specified, then the combined capacity of the installed condensers shall be greater than the calculated heat of rejection. When determining the design THR for this requirement, reserve or backup compressors may be excluded from the calculations.
There is no limitation on the type of condenser that may be used. The choice may be made by the system designer, considering the specific application, climate, water availability, etc.
The Energy Standards include an exception to §120.6(a)4A., 4B, and 4C for condensers serving refrigeration systems for which more than 20 percent of the design cooling load comes from quick chilling or freezing space, or process (nonspace) refrigeration cooling. The Energy Standard defines quick chilling or freezing space as a space with a design refrigeration evaporator capacity greater than 240 Btu/hr-ft² of floor area, which is equivalent to 2 tons per 100 ft² of floor area, at system design conditions.
Another exception to §120.6(a)4B., for air-cooled condenser sizing, applies if a condensing unit has a total compressor power less than 100 hp. A condensing unit includes compressor(s), condenser, liquid receiver, and control electronics that are packaged in a single product.
Example 10-40
Question
A new food processing plant is being constructed that will include an 800 ft² blast freezer, a holding freezer, and a loading dock. The design evaporator capacity of the blast freezer is 40 tons of refrigeration (TR). The combined evaporator capacity of the freezer and loading dock is 60 TR. Does the condenser group have to comply with the sizing requirements in §120.6(a)4A.?
Answer
The blast freezer evaporator capacity divided by the floor area is 40 TR/800 ft², which is equal to 5 TR/100 ft². That means this particular blast freezer is deemed quick freezing space by the Energy Standards. Therefore, the condenser group serving the refrigeration system does not have to comply with §120.6(a)4A., because 40% (i.e. greater than 20%) of the design refrigeration capacity is from quick freezing.
Example 10-42
Question
The refrigerated warehouse system shown below has a backup or “swing” compressor. Does the heat rejection from this compressor need to be included in the condenser sizing calculations?

Answer
It depends.
A swing compressor may be designed solely for backup of multiple suction groups or it may be included in one suction group and necessary to meet the design load of that suction group, but in an emergency is also capable of providing backup for other compressors. If the compressor is solely for use as backup, it would be excluded from the heat rejection calculation for the purposes of the Energy Standards. In this case, the calculations would include the heat of rejection from Compressors 2, 3, and 4 and would exclude Compressor 1.
1. Sizing of Evaporative Condensers, Fluid Coolers, and Cooling Towers
§120.6(a)4A. provides maximum design SCT values for evaporative condensers as well as systems consisting of a water-cooled condenser served by a cooling tower or fluid cooler. For this section, designers should use the 0.5 percent design wetbulb temperature (WBT) from Table 10-4 – Design Day Data for California Cities in the Reference Joint Appendices JA2 to demonstrate compliance with this requirement. The maximum design SCT requirements are listed in Table 10-4 below.
Table 10-4: Maximum Design SCT
Requirements for Evaporative Condensers and
Water-Cooled Condensers Served
by Cooling Towers and Fluid Coolers
|
0.5% DESIGN WETBULB TEMPERATURE |
MAXIMUM DESIGN SCT |
|
≤ 76°F (24°C) |
Design WBT plus 20°F (11°C) |
|
Between 76°F (24°C) and 78°F (26°C) |
Design WBT plus 19°F (10.5°C) |
|
≥ 78°F (26°C) |
Design WBT plus 18°F (10°C) |
|
|
|
Example 10-43
Question
A refrigerated warehouse is being constructed in Fresno. The refrigeration system will be served by an evaporative condenser. What is the sizing requirement for the condenser selected for this system?
Answer
The 0.5% design wetbulb temperature (WBT) from Joint Appendix JA-2 for Fresno is 73°F. Therefore, the maximum design SCT for the refrigerant condenser is 73°F + 20°F = 93°F. The selected condenser for this system must be capable of rejecting the total system design THR at 93°F SCT and 73°F WBT.
Example 10-44
Question
What is the minimum size for a condenser for a refrigeration system with the following parameters?
Located in Fresno
Design SST: 10°F
Suction group: Three equal-sized dedicated 100 hp screw compressors (none are backup units)
Evaporative condenser
240 TR cooling load
Answer
From the previous example, it was determined that the design wetbulb temperature (WBT) to demonstrate compliance for Fresno is 73°F, and the maximum design SCT for the evaporative condenser is 93°F (73°F + 20°F). We will assume the system designer determined a 2°F loss between the compressors and condenser. The designer first calculates the THR for the suction group at the design conditions of 10°F SST and 95°F SCT. Each selected compressor has a rated capacity of 240 TR and will absorb 300 horsepower at the design conditions. Therefore, the calculated THR for one compressor is:
240 TR / compressor x 3 compressor x 12,000 Btuh/TR + 300HP x 2,545 Btuh/HP = 9,403,500 Btuh
To comply with the Energy Standards, a condenser (or group of condensers) must be selected that is capable of rejecting at least 9,403,500 Btu/hr at 93°F SCT and 73°F WBT.
2. Sizing of Air-Cooled Condensers
§120.6(a)4B. provides maximum design SCT values for air-cooled condensers. For this section, designers should use the 0.5 percent design drybulb temperature (DBT) from Table 10-4 – Design Day Data for California Cities in the Reference Joint Appendices JA2 to demonstrate compliance with this requirement.
Standard practice is for published condenser ratings to assume the capacity of air-cooled condensers is proportional to the temperature difference (TD) between SCT and DBT, regardless of the actual ambient temperature entering the condenser. For example, the capacity of an air-cooled condenser operating at an SCT of 80°F with a DBT of 70°F is assumed to be equal to the same unit operating at 110°F SCT and 100°F DBT, since the TD across the condenser is 10°F in both examples. Thus, unlike evaporative condensers, the requirement for air-cooled condensers does not have varying sizing requirements for different design ambient temperatures.
However, the Energy Standards have different requirements for air-cooled condensers depending on the space temperatures served by the refrigeration system. The maximum design SCT requirements are listed in Table 10-5 below:
|
REFRIGERATED SPACE TYPE |
SPACE TEMPERATURE |
MAXIMUM SCT |
|
Cooler |
≥ 28°F (-2°C) |
Design DBT plus 15°F (8.3°C) |
|
Freezer |
< 28°F (-2°C) |
Design DBT plus 10°F (5.6°C) |
Often, a single refrigeration system and the associated condenser will serve a mix of cooler and freezer spaces. In this instance, the maximum design SCT shall be a weighted average of the requirements for cooler and freezer spaces, based on the design evaporator capacity of the spaces served.
Example 10-45
Question
An air-cooled condenser is being sized for a system that has half of the associated installed capacity serving cooler space and the other half serving freezer space. What is the design TD to be added to the design drybulb temperature?
Answer
This measure specifies a design approach of 15°F (8.3°C) for coolers and 10°F (5.6°C) for freezers. When a system serves freezer and cooler spaces, a weighted average should be used based on the installed capacity. To calculate the weighted average, multiply the percentage of the total installed capacity dedicated to coolers by 15°F (8.3°C). Next, multiply the percentage of the total installed capacity dedicated to freezers by 10°F (5.6°C). The sum of the two results is the design condensing temperature approach. In this example, the installed capacity is evenly split between freezer and cooler space. As a result, the design approach for the air-cooled condenser is 12.5°F (6.9°C).
(50% x 15°F) + (50% x 10°F) = 7.5°F + 5°F = 12.5°F
3. Adiabatic Condenser Sizing
§120.6(a)4C. provides maximum design SCT values for adiabatic condensers. These requirements are the same as for §120.6(b)1E. See section 10.5.2.3 for details.
A. Fan Control
Condenser fans for new air-cooled, evaporative or adiabatic condensers, or fans on cooling towers or fluid coolers used to reject heat on new refrigeration systems, must use continuously variable-speed. Variable-frequency drives are commonly used to provide continuously variable-speed control of condenser fans, although controllers designed to vary the speed of electronically commutated motors may be used to control these types of motors. All fans serving a common high side, or cooling water loop for cooling towers and fluid coolers, shall be controlled in unison. Thus, in normal operation, the fan speed of all fans within a single condenser or set of condensers serving a common high side should modulate together, rather than running fans at different speeds or staging fans off. However, when fan speed is at the minimum practical level usually no higher than 10-20%, the fans may be staged off to reduce condenser capacity. As load increases, fans should be turned back on before significantly increasing fan speed, recognizing a control band is necessary to avoid excessive fan cycling.
To minimize overall system energy consumption, the condensing temperature setpoint must be continuously reset in response to ambient temperatures, rather than using a fixed setpoint value. This strategy is also termed ambient-following control, ambient-reset, wetbulb following and drybulb following—all referring to the control logic that changes the condensing temperature target in response to ambient conditions at the condenser. The control system calculates a target saturated condensing temperature that is higher than the ambient temperature by a predetermined temperature difference (i.e. the condenser control TD). Fan speed is then modulated according to the calculated target SCT. The target SCT for evaporative condensers or water-cooled condensers (via cooling towers or fluid coolers) must be reset according to ambient wetbulb temperature, the target SCT for air-cooled condensers must be reset according to ambient drybulb temperature, and the target SCT for adiabatic condensers when operating in dry mode must be reset according to ambient drybulb temperature. There is no requirement for SCT control during wetbulb (adiabatic) operation. This requirement for the adiabatic condenser is applicable to all systems and is independent of the type of refrigerant used
The condenser control TD is not specified in the Energy Standards. The nominal control value is often less than the condenser design TD; however, the value for a particular system is left up to the system designer. Since the intent is to use as much condenser capacity as possible without excessive fan power, a common practice for refrigerated warehouse systems is to optimize the control TD over a period such that the fan speed is between approximately 60 and 80% during normal operation (i.e. when not at minimum SCT). While not required, evaporative condensers and systems using fluid coolers and cooling towers may also vary the condenser control TD as a function of actual WBT to account for the properties of moist air, which reduce the effective condenser capacity at lower wetbulb temperatures.
The minimum saturated condensing temperature setpoint must be 70°F (21°C) or less. For systems using halocarbon refrigerants with glide, the SCT setpoint shall correlate with a midpoint temperature (between the refrigerant bubble-point and dew-point temperatures) of 70°F (21°C) or less. As a practical matter, a maximum SCT setpoint is also commonly employed to set an upper bound on the control setpoint in the event of a sensor failure and to force full condenser operation during peak ambient conditions. This value should be set high enough that it does not interfere with normal operation.
Split air-cooled condensers are sometimes used for separate refrigeration systems, with two circuits and two rows of condenser fans. Each condenser half would be controlled as a separate condenser. If a condenser has multiple circuits served by a common fan or set of fans, the control strategy may use the average condensing temperature or the highest condensing temperature of the individual circuits as the control variable for controlling fan speed.
Alternative control strategies are permitted to the condensing temperature reset control required in §120.6(a)4E.. The alternative control strategy must be demonstrated to provide equal or better performance, as approved by the Executive Director.
Example 10-46
Question
A refrigerated warehouse with evaporative condensers is being commissioned. The control system designer has used a wetbulb-following control strategy to reset the system saturated condensing temperature (SCT) setpoint. The refrigeration engineer has calculated that adding a TD of 15°F (8.3°C) above the ambient wetbulb temperature should provide a saturated condensing temperature setpoint that minimizes the combined compressor and condenser fan power usage throughout the year. What might the system SCT and SCT setpoint trends look like over an example day?
Answer
The following figure illustrates what the actual saturated condensing temperature and SCT setpoints could be over an example day using the wetbulb-following control strategy with a 15°F (8.3°C) TD and observing the 70°F (21°C) minimum condensing temperature requirement. As the figure shows, the SCT setpoint is continuously reset to 15°F (8.3°C) above the ambient wetbulb temperature until the minimum SCT setpoint of 70°F is reached. The figure also shows a maximum SCT setpoint (in this example, 90°F (32.2°C) that may be used to limit the maximum control setpoint, regardless of the ambient temperature value or TD parameter.

Example 10-47
Question
A cold storage facility with an air-cooled condenser is being commissioned. The control system designer has used a drybulb-following control strategy to reset the system saturated condensing temperature (SCT) setpoint. The refrigeration engineer has calculated that adding a TD of 11°F (6.1°C) above the ambient drybulb temperature should provide a saturated condensing temperature setpoint that minimizes the combined compressor and condenser fan power usage throughout the year. What might the system SCT and SCT setpoint trends look like over an example day?
Answer
The following figure illustrates the actual saturated condensing temperature and SCT setpoints over an example day using the drybulb-following control strategy with an 11°F (6.1°C) TD and observing the 70°F (21°C) minimum condensing temperature requirement. As the figure shows, the SCT setpoint is continuously reset 11°F (6.1°C) above the ambient drybulb temperature, but is bounded by the minimum and maximum SCT setpoints. The figure also shows a maximum SCT setpoint (in this example, 90°F (32.2°C) that may be used to limit the maximum control setpoint, regardless of the ambient temperature value or TD parameter.

B. Condenser Specific Efficiency
Requirements for design condensing temperatures relative to design ambient temperatures, as described above for §120.6(a)4A., B, and C, help assure that there is enough condenser capacity to keeping condensing temperatures compressor head pressures at reasonable levels. However, the sizing requirements do not address condenser efficiency. For example, rather than providing amply sized condenser surface area, a condenser selection could consist of a small condenser area using a large motor to blow a large amount of air through the heat exchanger surface to achieve the design condenser TD. However, this would come at the expense of excessive fan motor horsepower. Also, relatively high fan power consumption can result from using condenser fans that have poor fan efficiency or low fan motor efficiency. §120.6(a)4F. addresses these and other factors affecting condenser fan power by setting minimum specific efficiency requirements for condensers.
All newly installed indoor and outdoor evaporative condensers and outdoor air-cooled and adiabatic condensers to be installed on new refrigeration systems shall meet the minimum specific efficiency requirements shown in Table 10-6.
|
CONDENSER TYPE |
REFRIGERANT TYPE |
MINIMUM SPECIFIC EFFICIENCY* |
RATING CONDITION |
|
Outdoor Evaporative-Cooled with THR Capacity > 8,000 MBH |
All |
350 Btuh/W |
100°F Saturated Condensing Temperature (SCT), 70°F Outdoor Wetbulb Temperature |
|
Outdoor Evaporative-Cooled with THR Capacity < 8,000 MBH and Indoor Evaporative-Cooled |
All |
160 Btuh/W | |
|
Outdoor Air-Cooled |
Ammonia |
75 Btuh/W |
105°F Saturated Condensing Temperature (SCT), 95°F Outdoor Drybulb Temperature |
|
Halocarbon |
65 Btuh/W | ||
|
Adiabatic Dry Mode |
Halocarbon |
45 Btuh/W |
105°F Saturated Condensing Temperature (SCT), 95°F Outdoor Drybulb Temperature |
|
Indoor Air-Cooled |
All |
Exempt | |
Condenser specific efficiency is defined as:
Condenser Specific Efficiency = Total Heat Rejection (THR) Capacity / Input Power
The total heat rejection capacity is at the rating conditions of 100°F saturated condensing temperature (SCT) and 70°F outdoor wetbulb temperature for evaporative condensers, and 105°F SCT and 95°F outdoor drybulb temperature for air-cooled condensers. Input power is the electric input power draw of the condenser fan motors (at full speed), plus the electric input power of the spray pumps for evaporative condensers. The motor power is the manufacturer’s published applied power for the subject equipment, which is not necessarily equal to the motor nameplate rating. Power input for secondary devices such as sump heaters shall not be included in the specific efficiency calculation.
As shown in Table 10-6 the Energy Standards have different minimum efficiencies depending on the type of condenser that is being used. The different classifications of condenser are:
a. Outdoor, evaporative, THR greater than 8,000 MBH at specific efficiency rating conditions.
b. Outdoor, evaporative, THR less than 8,000 MBH at specific efficiency rating conditions.
c. Indoor, evaporatively cooled.
d. Outdoor, air-cooled, ammonia refrigerant.
e. Outdoor, air-cooled, halocarbon refrigerant.
f. Adiabatic (dry-mode operation), halocarbon refrigerant.
g. Indoor, air-cooled.
The data published in the condenser manufacturer’s published rating for capacity and power shall be used to calculate specific efficiency. For evaporative condensers, manufacturers typically provide nominal condenser capacity and tables of correction factors that are used to convert the nominal condenser capacity to the capacity at various applied condensing temperatures and wetbulb temperatures. Usually the manufacturer publishes two sets of correction factors: one is a set of “heat rejection” capacity factors, while the others are “evaporator ton” capacity factors. Only the “heat rejection” capacity factors shall be used to calculate the condenser capacity at the efficiency rating conditions for determining compliance with this section.
For air-cooled and adiabatic condensers, manufacturers typically provide the capacity at a given temperature difference (TD) between SCT and drybulb temperature. Manufacturers typically assume that condenser capacity is linearly proportional to TD; the catalog capacity at 20°F TD is typically twice as much as at 10°F TD. The condenser capacity for air-cooled condensers at a TD of 10°F shall be used to calculate efficiency. For adiabatic condensers, the dry mode capacity at a TD of 10°F shall be used to calculate efficiency. If the capacity at 10°F TD is not provided, the capacity shall be scaled linearly.
Depending on the type of condenser, the actual manufacturer’s rated motor power may vary from motor nameplate in different ways. Air cooled condensers with direct-drive OEM motors may use far greater input power than the nominal motor horsepower would indicate. On the other hand, evaporative condenser fans may have a degree of safety factor to allow for higher motor load in cold weather (vs. the 100°F SCT/70°F WBT specific efficiency rating conditions). Thus, actual motor input power from the manufacturer must be used for direct-drive air-cooled condensers, while for large (i.e. > 8,000 MBH) evaporative condensers and other belt-drive condensers, the full load motor rating is generally conservative, but manufacturer’s applied power should be used whenever possible to more accurately determine specific efficiency.
Example 10-48
Question
An evaporative condenser is being considered for use in an outdoor application on a new refrigerated warehouse. The refrigerant is ammonia. The condenser manufacturer’s catalog provides the following information:

For this example, model number D551 is being considered. Elsewhere in the catalog, it states that condenser model D551 has two 7.5 HP fan motors and one 5 HP pump motor. Fan motor efficiencies and motor loading factors are not provided. Does this condenser meet the minimum efficiency requirements?
Answer
First, the condenser capacity must be calculated at the efficiency rating condition. From Table 10-4, we see that the rating conditions for an outdoor evaporative condenser are 100°F SCT, 70°F WBT. From the Base Heat Rejection table above, we see the nominal capacity for model D551 is 5,513 MBH. From the Heat Rejection Capacity Factors table, we see that the correction factor for 100°F SCT, 70°F WBT is 0.88. The capacity of this model at specific efficiency rating conditions is 5,513 MBH / 0.88 = 6,264 MBH. Since 6,264 MBH is less than 8,000 MBH, we can see from Table10-4 that the minimum specific efficiency requirement is 160 (Btu/hr)/watt.
To calculate input power, we will assume 100% fan and pump motor loading and minimum motor efficiency since the manufacturer has not yet published actual motor input power at the specific efficiency rating conditions. We look up the minimum motor efficiency from Nonresidential Appendix NA-3: Fan Motor Efficiencies. For a 7.5 HP four-pole open fan motor, the minimum efficiency is 91.0%. For a 5 HP six-pole open pump motor, the minimum efficiency is 89.5%. The fan motor input power is calculated to be:
2 motors x 7.5 HP/motor x 746 watts/HP x 100% assumed loading/ 91% efficiency = 12.297 watts
The pump motor input power is calculated to be:
1 motors x 5 HP/motor x 746 watts/HP x 100% assumed loading/ 89.5% efficiency = 4.168 watts
The combined input power is therefore:
12.297 watts + 4.168 watts = 16.464 watts
Note: Actual motor power should be used when available (see notes in text).
Finally, the efficiency of the condenser is:
(6,264 MBH x 1000 Btuh/MBH) / 16.464 watts = 381 Btuh/watt
This condenser meets the minimum efficiency requirements because 381 Btu/hr per watt is higher than the 160 Btu/hr per watt requirement.
D. Condenser Fin Spacing
According to §120.6(a)4G. air-cooled condensers shall have a fin density no greater than 10 fins per inch. Condensers with higher fin densities have a higher risk of fouling with airborne debris. This requirement does not apply to air-cooled condensers that use a microchannel heat exchange surface, since this type of surface is not as susceptible to permanent fouling in the same manner as traditional tube-and-fin condensers with dense fin spacing.
10.6.3.4 Compressors
Compressors on new refrigeration systems must follow the design and control requirements as described in §120.6(a)5..
A. Minimum Condensing Temperature
Floating head control is one of the largest energy savings measures applied to refrigeration systems. This control attempts to keep condensing temperatures as low as possible (while not consuming too much condenser fan energy) as this reduces compressor head pressure, which directly affects compressor energy. When ambient temperatures are low, the primary constraint on how low the condensing temperature can be reset is the design requirements of the compressor and associated system components.
§120.6(a)5A. addresses the compatibility of the compressor design and components with the requirements for floating head control. All compressors that discharge to the condenser(s) and all associated components (coalescing oil separators, expansion valves for liquid injection oil cooling, etc.) must be capable of operating at a condensing temperature of 70°F (21°C) or less. Oil separator sizing is often governed by the minimum condensing temperature, as well as other factors, such as the maximum suction temperature. Suction temperatures above the design value may occur under floating suction temperature control schemes.
The system designer should also keep in mind that other design parameters such as piping run lengths or evaporator defrost requirements must be considered to meet this requirement.
B. Screw Compressor Control at Part-Load
New open-drive screw compressors in new refrigeration systems with a design saturated suction temperature (SST) of 28°F or lower shall vary compressor speed as the primary means of capacity control. The compressor speed shall reduce to the manufacturer-specified minimum speed before unloading via slide valve. Similarly, when the load increases, the compressor shall increase to 100 percent slide valve before increasing speed. This requirement applies only to compressors discharging to the condenser (i.e. single stage or the high stage of a two-stage system) and only to suction groups that consist of a single compressor.
An exception to §120.6(a)5B. (controlling compressor speed in response to refrigeration load) is provided for compressors on a refrigeration system with more than 20 percent of the design cooling load from quick chilling or freezing space, or nonspace process refrigeration cooling. The “refrigeration system” refers to the entire associated system, (i.e. the refrigerant charge), not the suction group. While variable-speed compressor control may be cost-effective in many instances and may be considered by the system designer, this exception exists to allow for situations such as seasonal processes with low operating hours or loads that may be precisely matched to a fully loaded compressor.
New screw compressors with a motor nameplate power greater than 150 HP shall incorporate the capability to automatically vary the volume ratio (i.e. variable Vi) to optimize efficiency at off-design operating conditions.
Example 10-49
Question
The system shown below has three 200 HP open-drive screw compressors serving three suction levels and one 200 HP backup or swing open-drive screw compressor that can be connected by valve into any of the three suction lines. Does this count as having more than one compressor per suction group and exempt the compressors from the requirements in §120.6(a)5B.?

Answer
Probably not. Exception 1 to §120.6(a)5B. applies only when a suction group has two or more dedicated compressors. A compressor that is used solely as backup does not count as a dedicated compressor. As a result, all compressors (1, 2, 3, and 4) in the example above must comply with §120.6(a)5B. and use variable-speed control as the primary means of capacity control. However, if Compressor 1 is actually required to meet the design load of one of the suction groups, it could be considered part of that suction group and variable-speed control would not be required. Whether a swing compressor is really a backup compressor or part of a suction group should be apparent from the design loads and capacities listed in the design documents.
10.6.3.5 Acceptance Requirements
The Energy Standards have acceptance test requirements for:
•Electric underslab heating controls.
•Evaporator fan motor controls.
•Evaporative condensers.
•Adiabatic condensers
•Air-cooled condensers.
•Variable-speed compressors.
These test requirements are described in Chapter 13 and the Reference Nonresidential Appendix NA7.10. They are described briefly in the following paragraphs.
A. Electric Underslab Heating Controls
Controls for underslab electric heating controls, when used for freeze protection on freezer floors, are tested to ensure heat is automatically turned off during summer on-peak electric periods.
B. Evaporator Fan Motor Controls
Evaporator equipment and controls are checked for proper operation. The controls are tested to ensure the fan speed automatically varies in response the temperature and/or humidity of the space.
C. Evaporative Condensers
Evaporative condensers and variable-speed fan controls are checked to ensure the required minimum SCT setpoint of 70°F or lower is implemented, and the condenser fans continuously vary in unison to maintain a target temperature difference between the SCT and the wetbulb temperature. Trends of wetbulb temperature and SCT can be used to verify the controls over time.
The condenser control TD or offset is a key parameter in fine-tuning the operation of the fans and maximizing the energy savings. In best practice, this control setting should be adjusted during average load so that the fan average 60-80% speed when in the control range (i.e. between the minimum and maximum SCT setpoints).
D. Air-Cooled Condensers
Air-cooled condensers and variable-speed fan controls are checked to ensure the required minimum SCT setpoint of 70°F or lower is implemented, and the condenser fans continuously vary in unison to maintain a target temperature difference between the SCT and drybulb temperature. Trends of drybulb temperature and SCT can be used to verify the controls over time.
The condenser control TD is a key parameter in fine-tuning the operation of the fans and maximizing energy savings. This control setting should be adjusted during average load so that condenser capacity is effectively used but fan speed is not excessive.
E. Adiabatic Condensers
Adiabatic condensers and variable-speed fan controls are checked to ensure the required minimum SCT setpoint of 70°F or lower is implemented, and the condenser fans continuously vary in unison to maintain a target temperature difference between the SCT and drybulb temperature when operating in dry mode. Trends of drybulb temperature and SCT can be used to verify the controls over time.
The condenser control TD is a key parameter in fine-tuning the operation of the fans and maximizing the energy savings. This control setting should be adjusted during average loaded so that condenser capacity is effectively used but fan speed is not excessive.
F. Variable-Speed Compressors
The controls and equipment for the variable-speed control of screw compressors are checked and certified as part of the acceptance requirements. The compressor should unload capacity by reducing speed to the minimum speed setpoint before unloading by slide valve or other means. Control system trend screens can also be used to verify that the speed varies automatically in response to the load.
10.6.4.1 Requirements
Requirements related to refrigerated warehouse additions and alterations are covered by the Energy Standards in §141.1(a). The specific requirements for additions and alterations for commercial refrigeration are included in §120.6(a).. Definitions relevant to refrigerated warehouses include the following:
•An addition is a change to an existing refrigerated warehouse that increases refrigerated floor area and volume. Additions are treated like new construction.
•When an unconditioned or conditioned building or an unconditioned or conditioned part of a building adds refrigeration equipment so that it becomes refrigerated, this area is treated as an addition.
•An alteration is a change to an existing building that is not an addition or repair. An alteration could include installing new evaporators, a new lighting system, or a change to the building envelope, such as adding insulation.
•A repair is the reconstruction or renewal of any part of an existing building or equipment for maintenance. For example, a repair could include the replacement of an existing evaporator or condenser.
Any addition or altered space must meet all applicable mandatory requirements. Repairs must not increase the preexisting energy consumption of the repaired component, system, or equipment; otherwise, it is considered an alteration.
Example 10-50
Question
The new construction is an addition to an existing refrigerated warehouse. The new space is served by an existing refrigeration plant. Does the refrigeration plant need to be updated to meet the Energy Standards?
Answer
No. The new construction must comply with the Energy Standards; however, the existing refrigeration plant equipment is exempt from the Energy Standards.
Example 10-51
Question
The new construction includes an addition to refrigerated space and expansion of the existing refrigeration plant. Is the existing refrigeration equipment subject to the Energy Standards?
Answer
No. Only the new equipment installed in the added refrigerated space and any new compressors added to the existing plant are subject to the requirements of the Energy Standards. If a new refrigeration system was installed with a new condenser for the addition, then the new condenser must also comply with the Energy Standards.
Example 10-52
Question
An upgrade to an existing refrigerated storage space includes replacing all of the existing evaporators with new evaporators. Do the new evaporators need to comply with the Energy Standards?
Answer
Yes. A complete renovation of the evaporators in the space is considered an alteration. The alteration requirements apply when all the evaporators in the space are changed.
Example 10-53
Question
An existing refrigerated storage space is adding additional evaporators to meet an increase in the refrigeration load. Do the new evaporators need to comply with the Energy Standards?
Answer
No. The alteration requirements apply only when all of the evaporators in the space are changed.
Example 10-54
Question
An existing evaporator is being replaced by a new evaporator as part of system maintenance. Does the new evaporator need to comply with the Energy Standards?
Answer
No. Replacement of an evaporator during system maintenance is considered a repair. However, the energy consumption of the new evaporator must not exceed that of the equipment it replaced.